Видео
Выбираем насос для химии
Как выбрать насос для кислоты и другой химии
Выставляем соосность
Как выставить соосность без специального оборудования
Описание модели IHF 80-50-200/2-FEP/C-300
Химический центробежный насос IHF 80-50-200/2-FEP/C-300 – это футерованный фторопластом консольный насос с механическим уплотнением. Насос способен перекачивать концентрированные кислоты и их соединения, промышленные растворители и окислители. Допустимая плотность перекачиваемой жидкости 1,8 кг/дм3 (1800 кг/м3). Температурный диапазон перекачиваемой жидкости от - 20 до 100 °C.
Насос изготовлен из чугуна HT200, внутренняя футеровка и рабочее колесо выполнены из фторопласта FEP (Ф-4МБ). Чугун обеспечивает насосу механическую прочность, а фторопласт высокую химическую и термическую стойкость. Химстойкое механическое уплотнение насоса исключает риск утечки перекачиваемого материала.
Производительность насоса до 60 м3/ч (1000 л/мин), напорное давление до 53 м.вод.ст.
Рабочая точка модели 50 м3/ч при 50 м.вод.ст. КПД 65%.
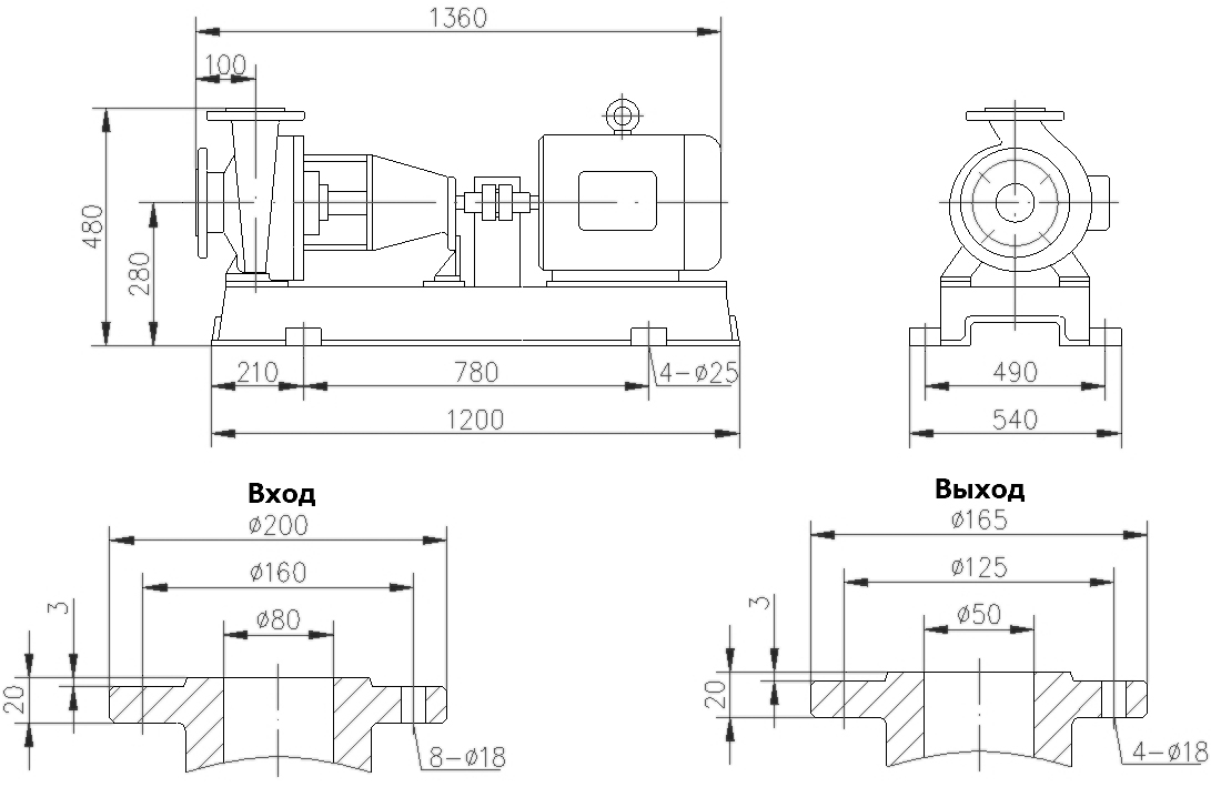
Всасывающий патрубок фланец DN 80 мм. Нагнетательный патрубок фланец DN 50 мм.
Насос оборудован трехфазным двигателем 380 В, 2900 об/мин (2Р), класс защиты IP 55, мощностью 30 кВт.
Во избежание критической нагрузки на двигатель важно учитывать допустимую плотность перекачиваемой жидкости.
Конструкция и материалы насоса

| 1. Корпус насоса (серый чугун HT200) 2.Рамка рабочего колеса (углеродистая сталь 45) 3. Рабочее колесо (фторопласт FEP) 4.Футеровка корпуса насоса (фторопласт FEP) 5. Футеровка крышки насоса (фторопласт FEP) 6. Крышка насоса (серый чугун HT200) 7. Крепление механического уплотнения (нерж. сталь 1Cr18Ni9Ti) | 8. Статическое кольцо мех. уплотнения (спеченный карбид кремния SSIC) 9. Динамическое кольцо мех. уплотнения (спеченный карбид кремния SSIC) 10. Вал насоса (углеродистая сталь S45C) 11. Корпус подшипника (серый чугун HT200) 12. Муфта (серый чугун HT200) |
Области применения
- Химическая промышленность;
- Фармацевтика;
- Косметическая промышленность;
- Пищевая отрасль;
- Очистка сточных вод;
- Текстильная промышленность.
Габаритный чертеж насоса IHF 80-50-200/2-FEP/C-300




































_1.jpg)




























































































































































































































































Гарантия 12 мес.
