Видео
Выбираем насос для химии
Как выбрать насос для кислоты и другой химии
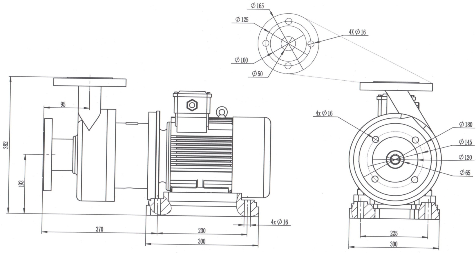
Описание модели S65x50-25
Химический центробежный насос ZY Technology S65x50-25 выдерживает большие механические нагрузки, корпус насоса сделан из стеклопластика (fiberglass).
Производительность насоса в рабочей точке 25 м3/ч, давление 25 м.вод.ст. КПД 61 %.
Диаметр патрубков вход DN65/выход DN50, фланец.
Насос оборудован трехфазным двигателем 380 В, 2900 об/мин (2Р), мощностью 3 кВт.
Химическая стойкость
Насосы серии S могут перекачивать многие жидкости. В целом материал корпуса устойчив к маслам, жирам, органическим растворителям и разбавленным кислотам. Вот некоторые вещества, которые могут перекачивать насосы серии S:
| Вещество | Макс. концентрация | Допустимая температура | |
| Азотная кислота | 10% | +25°C | |
| Серная кислота | 35% | +50°C | |
| Серная кислота | 5% | +100°C | |
| Сернистая кислота | 30% | +100°C | |
| Соляная кислота | 37% | +100°C | |
| Уксусная кислота | 30% | +100°C | |
| Уксусная кислота | 99% | +25°C | |
| Бензол | 90% | +100°C | |
| Магния соединения | +100°C | ||
| Морская вода | +100°C | ||
| Серный ангидрид | +80°C | ||
| Толуол | +100°C | ||
| Уксусный ангидрид | 65% | +100°C | |
| Хлороформ | 95% | +100°C | |
Условия эксплуатации
- Температура перекачиваемой жидкости должна быть в диапазоне от -30 до +100°C.
- Перекачиваемая жидкость должна быть чистой, размер твердых частиц не должен превышать 0,2 мм.
- Допустимое давление в корпусе насосов составляет 5 бар.
- Плотность жидкости зависит от модели насоса и может достигать 1,8 кг/дм³.
Материалы конструкции
- Корпус насоса сделан из модицифированного поливинилфенольного стекловолокна.
- Насос оснащен уплотнением типа WB2. Пара трения – карбид кремния/карбид кремния. Наружное покрытие уплотнения и статические кольца выполнены из PTFE. Внутренние пружины уплотнения выполнены из нержавеющей стали AISI 304/316 (пружины не контактируют с перекачиваемой жидкостью).
Габаритный чертеж насоса ZY Technology S65x50-25
Кривые производительности
У нас пока нет отзывов по этой модели.
В настоящее время никто вопросов не задавал. Вы можете быть первым.




































_1.jpg)




























































































































































































































































Гарантия 12 мес.
