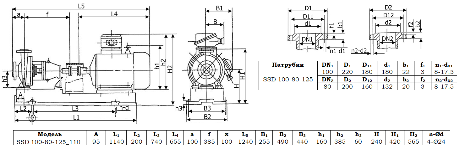
Описание модели SSD 100-80-125_110
Химический центробежный насос SSD 100-80-125_110 – это нержавеющий консольный насос с механическим уплотнением. Насос может перекачивать органические и неорганические кислоты, соединения, щелочи, нейтральные растворы, летучие жидкости плотностью до 1,15 кг/дм3 (1150 кг/м3). Температурный диапазон перекачиваемой жидкости от - 10 до 150 °C.
Производительность насоса до 120 м3/ч (2000 л/мин), напорное давление до 23 м.вод.ст.
Рабочая точка модели 100 м3/ч (1666,7 л/мин) при 20 м.вод.ст. КПД 77%.
Всасывающий патрубок фланец DN 100 мм. Нагнетательный патрубок фланец DN 80 мм.
Насос оборудован трехфазным двигателем 380 В, 2900 об/мин (2Р), мощность 11 кВт.
Во избежание критической нагрузки на двигатель важно учитывать допустимую плотность перекачиваемой жидкости.
Материалы конструкции
- Корпус и вал - нержавеющая сталь AISI316L
- Механическое уплотнение (двойное) – сталь
Условия эксплуатации
- Температура перекачиваемой жидкости должна быть в диапазоне от 0 до 150 °C.
- Перекачиваемая жидкость должна быть чистой, размер мягких частиц не должен превышать 3 мм.
- Плотность жидкости зависит от модели насоса и может достигать 1,85 кг/дм³.
- Не допускайте холостого хода насоса.
Габаритный чертеж модели Vetlan SSD 100-80-125_110




































_1.jpg)




























































































































































































































































Гарантия 12 мес.