Описание модели SSD 50-32-160_055
Химический центробежный насос SSD 50-32-160_055 – это нержавеющий консольный насос с механическим уплотнением. Насос может перекачивать органические и неорганические кислоты, соединения, щелочи, нейтральные растворы, летучие жидкости плотностью до 1,85 кг/дм3 (1850 кг/м3). Температурный диапазон перекачиваемой жидкости от - 10 до 150 °C.
Производительность насоса до 14 м3/ч (233,3 л/мин), напорное давление до 39 м.вод.ст.
Рабочая точка модели 12,5 м3/ч (208,3 л/мин) при 32 м.вод.ст. КПД 46%.
Всасывающий патрубок фланец DN 50 мм. Нагнетательный патрубок фланец DN 32 мм.
Насос оборудован трехфазным двигателем 380 В, 2900 об/мин (2Р), мощность 5,5 кВт.
Во избежание критической нагрузки на двигатель важно учитывать допустимую плотность перекачиваемой жидкости.
Материалы конструкции
- Корпус и вал - нержавеющая сталь AISI316L
- Механическое уплотнение (двойное) – сталь
Условия эксплуатации
- Температура перекачиваемой жидкости должна быть в диапазоне от 0 до 150 °C.
- Перекачиваемая жидкость должна быть чистой, размер мягких частиц не должен превышать 3 мм.
- Плотность жидкости зависит от модели насоса и может достигать 1,85 кг/дм³.
- Не допускайте холостого хода насоса.
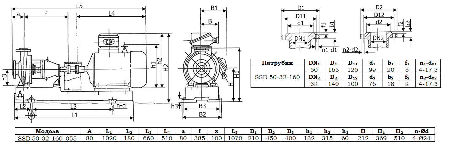
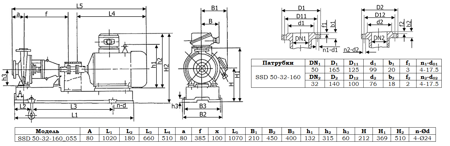
Габаритный чертеж модели Vetlan SSD 50-32-160_055




































_1.jpg)




























































































































































































































































Гарантия 12 мес.