Видео
Выбираем насос для химии
Как выбрать насос для кислоты и другой химии
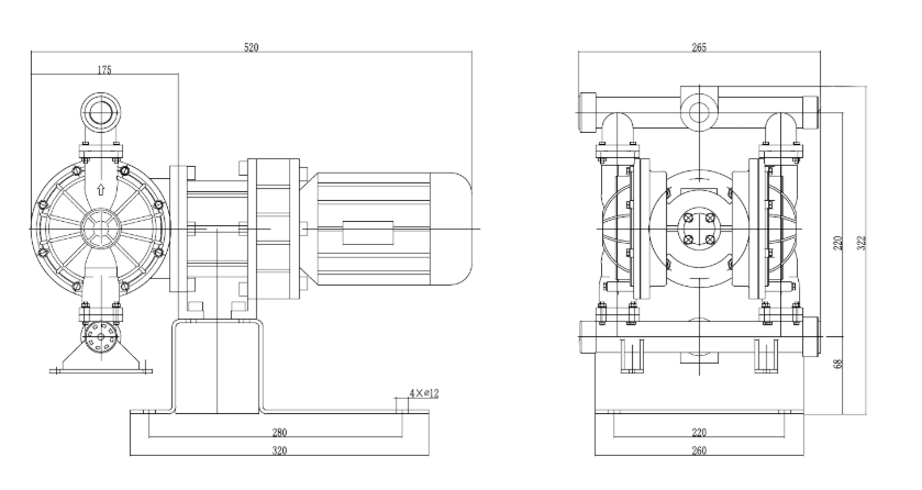
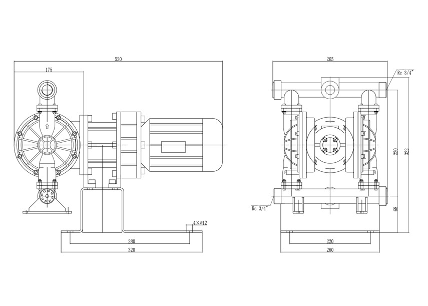
Описание модели KDP-20PP-TF
Мембранный электрический насос ZY Technology KDP-20PP-TF перекачивает в режиме самовсасывания жидкости и вязкие среды разнообразной химической структуры, в том числе с твердыми фракциями до 5,8 мм.
Производительность модели от 1 до 250 л/мин (от 0,06 до 15 м3/час). Напор достигает 70 метров. Высота самовсоса при залитой входной линии до 3 метров. Присоединительный размер всасывающей и нагнетательной линии 50 мм, фланцевое присоединение.
Насос оснащен трехфазным электродвигателем мощностью 3 кВт.
Условия эксплуатации
- Перекачиваемая жидкость должна быть совместима с материалами насоса. Например, для перекачивания кислот следует предпочесть насосы из полипропилена, а для высокотемпературных жидкостей лучше подойдет алюминий.
- Максимальный размер твердых частиц зависит от модели. В этой линейке он варьируется от 2 до 6 мм.
- При перекачивании горячих жидкостей (до +107°C) лучше использовать насосы из металла чем из пластика.
- Самовсос возможен только при залитой входной линии.
- Насос может работать в режиме сухого хода (не более 5 минут).
- Мембранные насосы не очень любят работать при положительном подпоре на всасывании. В этом режиме срок службы мембран снижается. В любом случае давление жидкости на входе в насос не должно превышать 1 бар.
- Обратите внимание: насос запрещено эксплуатировать на закрытый кран на выходе. Несоблюдение этого условия ведет к снятию гарантии.
Область применения
- Химическая и нефтехимическая промышленности
- Лакокрасочная промышленность
- Керамическая и добывающая промышленность
- Стекольное и стекловолоконное производство
- Пищевая промышленность и фармацевтика
Габаритные чертежи

Материалы конструкции
- Корпус из полипропилена
- Мембраны, шарики и седла из PTFE
У нас пока нет отзывов по этой модели.
В настоящее время никто вопросов не задавал. Вы можете быть первым.




































_1.jpg)





























































































































































































































































Гарантия 12 мес.