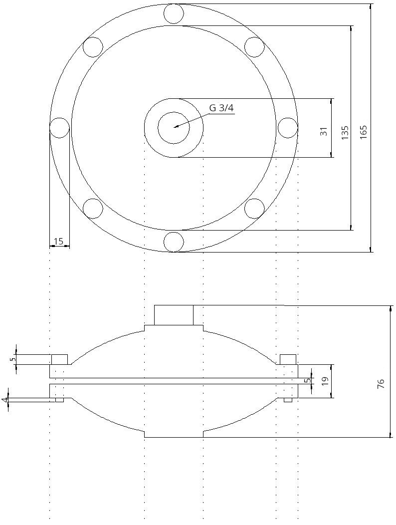
Демпфер пульсаций Zenova ZE0100A – описаниеДемпфер снижает пульсации потока жидкости в напорной линии при работе мембранного пневматического насоса. Предназначен для слабоагрессивных и не агрессивных сред. Устанавливается на напорную линию через разветвитель. Не требует подключения к воздушной линии. Резьба для подключения жидкости — 3/4" BSP.
Допускается установка нескольких демпферов подряд. Это бывает нужно для демпфирования больших потоков жидкости. Количество демпферов на линии берется из расчета — один демпфер на каждые 100 литров в минуту (один демпфер на каждые 6 кубометров в час).
Введите в следующее поле производительность вашего насоса, и калькулятор автоматически рассчитает нужное количество демпферов пульсаций.
__
Если вязкость жидкости больше 300 сСт, и давление на выходной линии больше 4 атмосфер, в этом случае можно открутить верхнюю заглушку у демпфера и подключить его к источнику сжатого воздуха для улучшения демпфирующих свойств (давление подаваемого воздуха должно быть чуть меньше давления, нагнетаемого насосом). Однако, это не обязательно. При давлении на выходе меньше 4 атмосфер и вязкости жидкости менее 300 сСт подключение воздуха не требуется совсем.
Подключение и использование демпферов подробно описаны в инструкции по эксплуатации.
Материалы проточной части (контактируют с перекачиваемой жидкостью):
- корпус рабочей камеры — алюминий;
- мембрана со стороны жидкости — тефлон;
- уплотнительный болт — нержавеющая сталь (или алюминий — по запросу).
Мембрана со стороны атмосферного воздуха из сантопрена.
Вес демпфера - 791 г. (проверено нами).
Перед покупкой, рекомендуем ознакомиться с таблицей химической совместимости материалов — перекачиваемая жидкость должна иметь совместимость «A» или «B» в столбцах «ALLUMINIUM», «AISI 316» и «PTFE».
Подробнее о выборе демпферов пульсаций можно прочитать в нашей статье: «Рекомендации по выбору демпферов пульсаций».
Демпфер снижает пульсации потока жидкости в напорной линии при работе мембранного пневматического насоса. Предназначен для слабоагрессивных и не агрессивных сред. Устанавливается на напорную линию через разветвитель. Не требует подключения к воздушной линии. Резьба для подключения жидкости — 3/4" BSP.
Допускается установка нескольких демпферов подряд. Это бывает нужно для демпфирования больших потоков жидкости. Количество демпферов на линии берется из расчета — один демпфер на каждые 100 литров в минуту (один демпфер на каждые 6 кубометров в час).
Введите в следующее поле производительность вашего насоса, и калькулятор автоматически рассчитает нужное количество демпферов пульсаций. __
Если вязкость жидкости больше 300 сСт, и давление на выходной линии больше 4 атмосфер, в этом случае можно открутить верхнюю заглушку у демпфера и подключить его к источнику сжатого воздуха для улучшения демпфирующих свойств (давление подаваемого воздуха должно быть чуть меньше давления, нагнетаемого насосом). Однако, это не обязательно. При давлении на выходе меньше 4 атмосфер и вязкости жидкости менее 300 сСт подключение воздуха не требуется совсем.
Подключение и использование демпферов подробно описаны в инструкции по эксплуатации.
Материалы проточной части (контактируют с перекачиваемой жидкостью):
- корпус рабочей камеры — алюминий;
- мембрана со стороны жидкости — тефлон;
- уплотнительный болт — нержавеющая сталь (или алюминий — по запросу).
Мембрана со стороны атмосферного воздуха из сантопрена.
Вес демпфера - 791 г. (проверено нами).
Перед покупкой, рекомендуем ознакомиться с таблицей химической совместимости материалов — перекачиваемая жидкость должна иметь совместимость «A» или «B» в столбцах «ALLUMINIUM», «AISI 316» и «PTFE».
Подробнее о выборе демпферов пульсаций можно прочитать в нашей статье: «Рекомендации по выбору демпферов пульсаций».
Совместимые модели оборудования
Мембранные насосы Duotek
AF0030P, AF0030K, AF0030M, AF0030S, AF0055P, AF0055K, AF0055AL, AF0055S, AF0060P, AF0060K, AF0060AL, AF0060S, AF0090P, AF0090K, AF0100AL, AF0120P, AF0120K, AF0120S, AF0160AL, AF0170P, AF0170PD, AF0170K, AF0170S, AF0250AL, AF0252P, AF0252K, AF0252S, AF0400P, AF0400K, AF0400AL, AF0400S, AF0700P, AF0700K, AF0700AL, AF0700S, AF0160K, AF0050AL, AF0050P, AF0050K, AF0050S, AF0050K_Уценка
Мембранные насосы Vetlan Pneumatic ADP
ADP-PD05R-BAS-PAA, ADP-PD05R-BAS-PCC, ADP-PD05R-BAS-TTT, ADP-PD05R-BSS-SST, ADP-66605J-344-C, ADP-666057-T44-C, ADP-6661A3-344-C, ADP-6661A3-3EB-C, ADP-6661AG-444-C, ADP-666120-1EB-C, ADP-666120-144-C, ADP-666120-1C9-C, ADP-666120-3C9-C, ADP-66612B-2A4-C, ADP-666170-3EB-C, ADP-666170-344-C, ADP-666170-3C9-C, ADP-666171-2A4-C, ADP-6661T3-344-C, ADP-6661T4-444-C, ADP-6662A3-344-C, ADP-666270-EEB-C, ADP-666270-1C9-C, ADP-666320-EEB-C, ADP-666120-3EB-C, ADP-666120-344-C, ADP-PD05R-BAS-FTT, ADP-PD05R-BAS-FCC, ADP-6661A3-344-C УЦЕНЕННЫЙ
Мембранные насосы Vetlan Pneumatic SDP
SDP-S1FB1A-1WABS000, SDP-S1FB1A-GTABS000, SDP-S1FB1A-HWABS000, SDP-S1FB1S-GSABS000, SDP-S1FB3P-1PPUS000, SDP-S1FB3P-2PPUS000, SDP-S15B1A-1WABS000, SDP-S15B1A-GTABS000, SDP-S15B1A-HAABS000, SDP-S15B1S-GSABS000, SDP-S20B1A-1EABS000, SDP-S20B1A-GTABS000, SDP-S20B1A-HHABS000, SDP-S20B1S-1SABS000, SDP-S20B1S-GSABS000, SDP-S20B3P-1PPUS000, SDP-S20B3P-2PPUS000, SDP-S30B1A-1EABS000, SDP-S30B1A-GTABS000, SDP-S30B1S-GSABS000
Мембранные насосы Yamada NDP
NDP-15FPS, NDP-15FPT, NDP-15BAS, NDP-15BAH, NDP-15BPS, NDP-15BPT, NDP-15BAT, NDP-15BST
Мембранные насосы Debem Boxer
Видео
Все о демпфере пульсаций
У нас пока нет отзывов по этому аксессуару.




































_1.jpg)





























































































































































































































































