Описание модели D BD0188--00600
Мембранный дозировочный насос Etatron D BD0188--00600 применяется для дозирования вязких и абразивных реагентов с максимальной производительностью 188 л/час и противодавлением 4 бара.
Корпус дозатора отлит из алюминия и покрыт защитной краской. Проточная часть (головка) имеет версии исполнения АА – из нержавеющей стали AISI 316L и ВА - из поливинилхлорида (ПВХ).
Регулирование производительности, в том числе на работающем насосе, осуществляется вручную посредством микрометрического винта, изменяющего длину хода мембраны. Пружинный механизм коробки передач обеспечивает возврат пистона к исходной точке. Диаметр мембраны 115 мм. Ход пистона 7,9 мм, 60 тактов/минуту.
Насос оснащен трехфазным вертикально закрепленным электродвигателем 0,37 кВт. Класс изоляции F.
Комплект поставки
Дозирующий насос поставляется с заглушенными входом (клапан забора) и выходом (клапан сброса) в индивидуальной картонной коробке, для любых видов перевозки. В каждой коробке находится инструкция-паспорт по установке и обслуживанию.
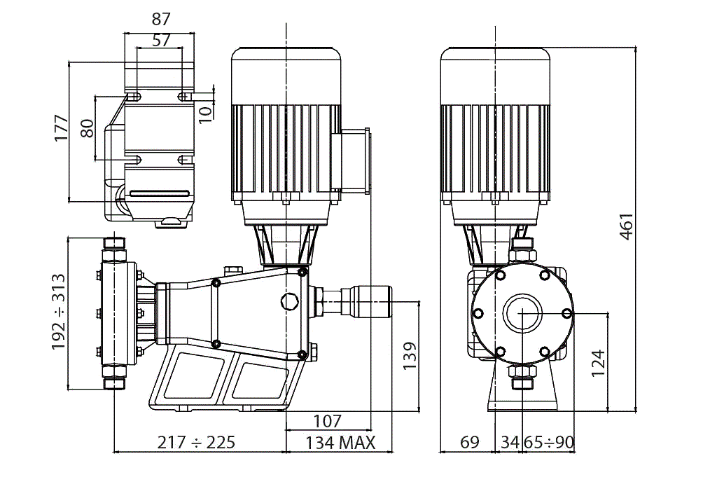
Габаритный чертеж насоса Etatron D BD0188--00600
У нас пока нет отзывов по этой модели.
В настоящее время никто вопросов не задавал. Вы можете быть первым.




































_1.jpg)




























































































































































































































































Гарантия 12 мес.