Описание модели D BD0209--00000
Мембранный дозировочный насос Etatron D BD0209--00000 применяется для дозирования вязких и абразивных реагентов с максимальной производительностью 209 л/час и противодавлением 6 бар.
Корпус дозатора отлит из алюминия и покрыт защитной краской. Проточная часть (головка) имеет версии исполнения АА – из нержавеющей стали AISI 316L и ВА - из поливинилхлорида (ПВХ).
Регулирование производительности, в том числе на работающем насосе, осуществляется вручную посредством микрометрического винта, изменяющего длину хода мембраны. Пружинный механизм коробки передач обеспечивает возврат пистона к исходной точке. Диаметр мембраны 95 мм. Ход пистона 8,5 мм, 103 такта/минуту.
Насос оснащен трехфазным вертикально закрепленным электродвигателем 0,25 кВт. Класс изоляции F.
Комплект поставки
Дозирующий насос поставляется с заглушенными входом (клапан забора) и выходом (клапан сброса) в индивидуальной картонной коробке, для любых видов перевозки. В каждой коробке находится инструкция-паспорт по установке и обслуживанию.
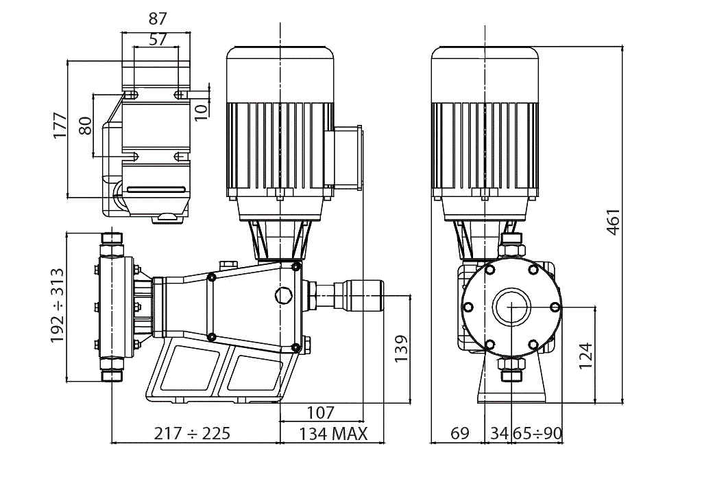
Габаритный чертеж насоса Etatron D BD0209--00000
У нас пока нет отзывов по этой модели.
В настоящее время никто вопросов не задавал. Вы можете быть первым.




































_1.jpg)




























































































































































































































































Гарантия 12 мес.