Видео
Выбираем насос для химии
Как выбрать насос для кислоты и другой химии
Промывка мембранников
Промой мембранный насос правильно
Активный и пассивный демпферы пульсаций. Сравнительный тест.
Описание модели T15/AAAAB/BNU/BN/BN/0051
Мембранный насос T15/AAAAB/BNU/BN/BN/0051 американской фирмы Wilden позволяет перекачивать жидкости различной степени вязкости, в том числе с содержанием твердых включений. Привод насоса пневматический, то есть насос получает энергию для работы от компрессора, а не от электродвигателя. Насос относится к серии Original, то есть детали корпуса соединены между собой хомутами.
Производительность насоса T15/AAAAB/BNU/BN/BN/0051 колеблется в диапазоне от 4,2 до 51 м3/час (от 70 до 850 л/мин). Температурный диапазон работы от -12 до +82 °C.
Расшифровка обозначения насоса
Маркировка T15/AAAAB/BNU/BN/BN/0051 означает следующее:
T - тип воздушного клапана Wilden (TurboFlo - беспружинный воздушный клапан).
15 - типоразмер насоса
/A - корпус из алюминия
A - пистон на внешней стороне мембраны из алюминия
AA - центральная часть насоса из алюминия
B - воздушный клапан из латуни
/BNU - мембрана из каучука Buna-N (NBR), версия с увеличенным сроком службы UltraFlex
/BN - шариковый клапан из Buna-N (NBR)
/BN - седло клапана из Buna-N (NBR)
/0051 - особопрочное исполнение Stalion для шламов и пульп, резьба BSP (аналог ГОСТ 6357-81).
Некоторые преимущества насосов Wilden для российских пользователей
Мембранные насосы Wilden действительно популярны в России. Можно назвать тому несколько причин.
Во-первых, гибкость. Запатентованные воздушные клапаны Accu-Flo , Pro-Flo X и Pro Flo Shift позволяют регулировать производительность насосов без применения внешних приспособлений.
Во-вторых, возможность эксплуатации в экстремальных климатических условиях. В России это дорогого стоит.
В-третьих, насосы Wilden имеют полную разрешительную документацию: сертификаты соответствия, гигиенические разрешения, разрешение на применение Федеральной службы по экологическому, технологическому и атомному надзору России.
В-четвертых, цена. Стоимость некоторых насосов Wilden оказывается весьма выгодной. Особенно недорогими получается алюминиевые насосы средних и больших типоразмеров (патрубки от 38 мм; типоразмер 4 и выше) с каучуковыми мембранами (Neoprene, Buna-N). Пластиковые насосы с мембранами из тефлона у Wilden все-таки дороги.
Условия эксплуатации
- Мембранные насосы Wilden могут перекачивать суспензии, кислоты, щелочи, растворители, шламы, эмульсии, смолы, шликер, краски, лаки, клеи, латекс и др. Перекачиваемая среда может быть высокой или низкой вязкости (для очень вязких сред рекомендуются металлические насосы), абразивной, тиксотропной, опасной, токсичной, несмазочной, горячей, холодной, коагулирующей, чувствительной к смещению, пастообразной, содержащей твердые частицы, агрессивной.
- Все мембраны насосов рассчитаны на максимальное давление от компрессора 8,6 бар. Превышать это давление не следует.
- Допустимая температура перекачиваемой жидкости для полипропилена от 0 до +79,4 °C, для фторопласта PVDF от -12,2 до +107.2 °C, для алюминия от -40 °C (верхний предел не указан), для ацетали от -29 °C (верхний предел не указан), для нержавеющей стали от -50 °C (верхний предел не указан). Корпуса из Тефлона (PTFE или PFA) могут выдерживать температуру от - 28,9 до +148,9 °C.
- При выборе температурного режима следует учитывать температурные ограничения для мембран. Даже если корпус насоса выдерживает 107 градусов, а мембрана только 82, то температура жидкости не должна превысить 82 градуса. (см. раздел ниже "Свойства основных материалов мембран"). Для клапана Pro-Flo (PX) температура не должна превышать 82 °C.
- Насос допускается использовать как самовсасывающий, высота самовсоса при сухом пуске до 5,2 - 7,5 метров в зависимости от модели. При предварительной заливке линии мембранные металлические насосы Wilden способны поднимать жидкость с высоты до 9,5 метров. Для насосов серии Original высота сухого самовсоса примерно на 1 метр выше этого же показателя для серии Advanced. Мембраны из тефлона обладают на 15-40% худшей самовсасывающей способностью по сравнению с резиновыми мембранами из каучука, а термопластичные мембраны на 10-20% хуже каучука по высоте самовсоса.
- Насосы не боятся сухого хода.
- Насосы Wilden могут работать в погруженном положении, но при этом следует обеспечить отвод отработанного воздуха наружу.
- Допускается содержание в жидкости твердых включений от 0,4 мм (для типоразмера 0,25) до 35 мм (для типоразмера 20), модель PX1510 может допускает проход частиц до 76 мм.
Типы воздушных клапанов, которые устанавливаются на мембранные насосы Wilden
У компании Wilden есть несколько типов воздушных клапанов, каждый из которых имеет свои особенности.

Рисунок 2. Четыре основные системы воздухораспределения (воздушных клапана), которые используются на пластиковых насосах Wilden.
Воздушный клапан P (Pro Flo) - основная для компании Wilden система воздухораспределения в пластиковом корпусе. Отличается достаточно сложным устройством и высокой ценой. К плюсу клапана Pro Flo можно отнести пониженное энергопотребление и снижение пульсаций жидкости. К минусам системы относятся высокая цена и ограниченная надежность.
Воздушный клапан PX (Pro Flo X) - эта система воздухораспределения выполнена в металлическом корпусе. Ее главная особенность - возможность регулирования производительности насоса путем изменения количества потребляемого воздуха. Клапаны Pro Flo X несколько дороже своих нерегулируемых собратьев Pro Flo.
Воздушный клапан A (Accu Flo) - система воздухораспределения использует двухпозиционный соленоидный клапан с электрическим подключением. Насосы с таким клапаном можно подключать к системам автоматики и регулировать подачу сигналом 4-20 мА. Высокая точность регулирования позволяет использовать насосы Accu Flo для целей дозирования жидкостей. Система Accu Flo предусмотрена только для небольших пластиковых насосов (типоразмеры 0,25, 1 и 2). Это самый дорогой воздушный клапан Wilden.
Воздушный клапан T (Turbo Flo) - в отличие от предыдущих систем воздухораспределения фирмы Wilden клапан Turbo Flo не имеет пружин и подшипников, работает за счет разности давлений. Это самый простой воздушный клапан Wilden, ставится на недорогих моделях серии T. К плюсам привода Turbo Flo можно отнести высокую надежность и небольшую цену. К минусам относятся повышенный расход сжатого воздуха и низкая производительность насоса.
В 2013 году в линейке воздушных клапанов Wilden появился новый воздушный клапан PS (Pro Flo Shift). Эта система воздухораспределения устанавливается только на металлических насосах больших типоразмеров как серии Original (PS 4, PS 8, PS 15) так и серии Advanced (PS 400, PS 800, PS 1500). Wilden позиционирует этот клапан как недорогую альтернативу электронному интерфейсу с очень высокой регулируемой точностью подачи, экономией расхода воздуха. Pro Flo Shift не замерзает, способен работать в жестких условиях. На клапане есть выключатель, который позволяет пускать и останавливать насос при необходимости.
Воздушный клапан с приставкой X (XP, XPX) - эта приставка означает, что насос сертифицирован под ATEX (взрывозащищенное применение).
График рабочих характеристик насоса Wilden T15/AAAAB/BNU/BN/BN/0051
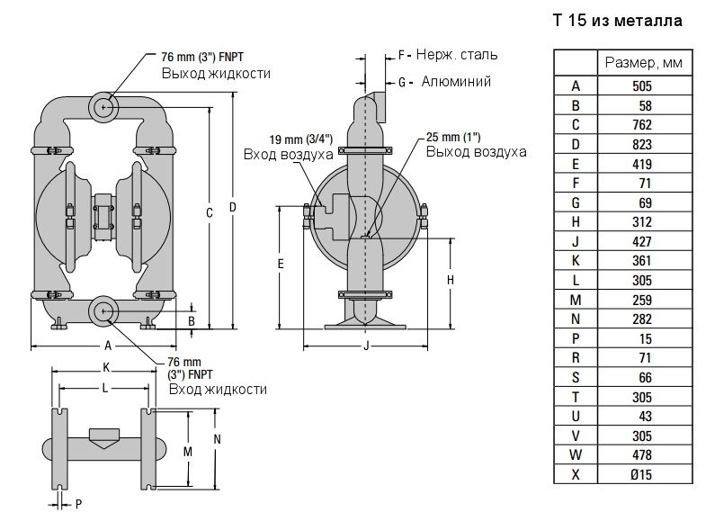
Габаритный чертеж насоса Wilden T15/AAAAB/BNU/BN/BN/0051
У нас пока нет отзывов по этой модели.
В настоящее время никто вопросов не задавал. Вы можете быть первым.




































_1.jpg)




























































































































































































































































Гарантия 12 мес.