Описание модели GRS 100/2/G40H A0CT5
Погружной фекальный насос Zenit GRS 100/2/G40H A0CT5 широко используется в строительстве, канализационных системах и частных строениях. Относится к группе насосов средней мощности.
У насоса корпус и крыльчатка изготовлены из чугуна, что говорит о высокой прочности. Крыльчатка GR разработана для достижения большого напора и высокой производительности. На сопряженной пластине изготовлена антиблокировочная система. Она состоит из канавки, которая выводит измельченные тела и обеспечивает незасоряемость насоса и быстрый перезапуск даже при небольшой мощности. Система измельчения состоит из ножа треугольной формы и пластины с заточенными отверстиями. Благодаря этому примеси измельчаются, проход загрязненных жидкостей обеспечивается без риска заклинивания крыльчатки. Особая обработка гидравлической части обеспечивает выталкивание измельченных частиц и предотвращает блокировку крыльчатки.
У насоса горизонтальный резьбовой патрубок 1½” (40 мм). Внутри установлены одно механическое уплотнение из карбида кремния и один сальник.
Насос устанавливается на грунт на встроенную опору. Максимальная глубина погружения 20 метров.
Производительность насоса колеблется от 3,6 до 15,6 м3/час (60 - 260 л/мин), напор до 20,4 м вод. ст. При этом оптимальная рабочая точка 10,8 м3/час (180 л/мин) при давлении 14 м вод. ст.
Насос работает на базе трехфазного двигателя сухого типа мощностью 0,9 кВт, 2900 об/мин, 380 В/50 Гц, IP 68. Двигатель рассчитан на 30 запусков в час, оборудован защитным реле.
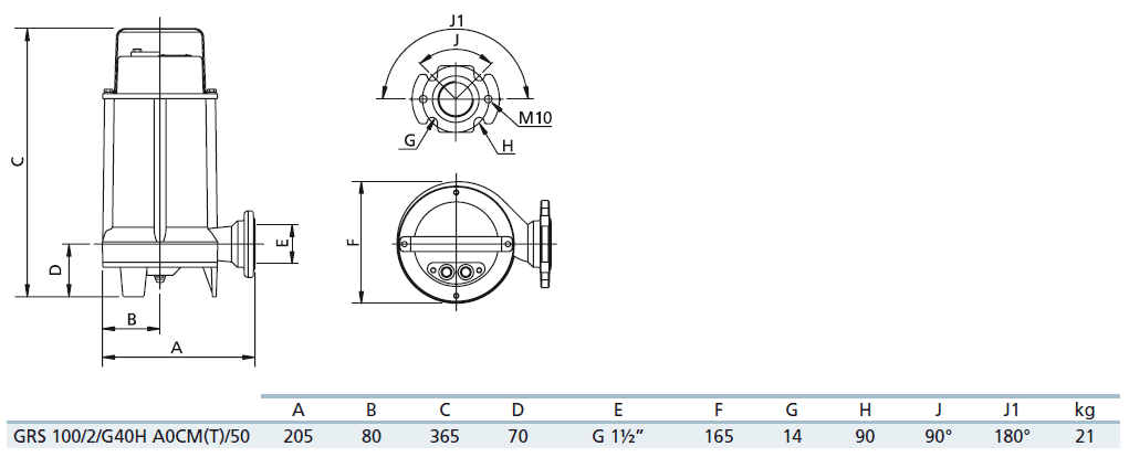
Габаритный чертеж насоса Zenit GRS 100/2/G40H A0CT5
Кривые производительности
У нас пока нет отзывов по этой модели.
В настоящее время никто вопросов не задавал. Вы можете быть первым.




































_1.jpg)




























































































































































































































































Гарантия 12 мес.