Описание модели SB 15-3
Вертикальный многоступенчатый насос Stairs SB 15-3 имеет 3 рабочие ступени. Рабочая камера насоса и рабочие колеса выполнены из нержавеющей стали AISI 304, фланцы из чугуна. Насос используется для перекачивания, циркуляции и повышения давления холодной или горячей чистой воды. Всасывающий и нагнетательный патрубки имеют равный диаметр DN50 и находятся в одной горизонтальной плоскости (конструкция «ин-лайн»). Линейная конструкция патрубков обеспечивает насосу компактность, позволяет устанавливать насос при ограниченном монтажном пространстве.
Применение Stairs SB 15-3
1. Водоснабжение и повышение давления: повышение давления в зданиях, гостиницах, жилых комплексах; станции повышения давления, водопроводные сети; повышение давления для промышленного водоснабжения.
2. Ирригация и сельское хозяйство: дождевание, полевое орошение (затопление).
3. Легкая промышленность: системы подачи котлов, мойки и очистки, автомойки, системы пожаротушения, системы технической воды.
4. Очистка воды: умягчители и деминерализация воды, системы обратного осмоса, дистилляции, фильтрации, ультрафильтрации.
5. Отопление, вентиляция и кондиционирование: котлы, индукционный нагрев, теплообменники, холодильники, градирни и системы, системы контроля температуры.
Производительность насоса от 8,5 до 23,5 м3/ч (142 - 391,7 л/мин), при напоре от 20 до 38 м вод. ст. Оптимальная рабочая точка 18 м3/ч (300 л/мин) при напоре 29 м вод. ст.
Насос оснащен асинхронным трехфазным двигателем 380 В/50 Гц, 2 полюса, 2900 об/мин. Номинальная мощность двигателя 3,0 кВт. Класс изоляции B, класс защиты IP 68.
Условия эксплуатации
- Температура перекачиваемой среды должна быть в пределах от от -15 до +120 °C.
- Максимальное давление в корпусе насоса от 18 до 33 бар в зависимости от модели.
- Максимальная температура окружающей среды составляет +50 градусов.
- Изоляционный класс насосов – F. Это означает, что их можно трогать руками без электрозащиты.
- Класс защиты корпуса – IP55, что позволяет работать в запыленной среде, а также под струями воды.
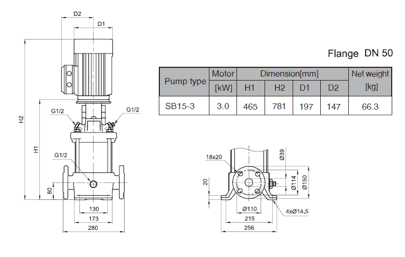
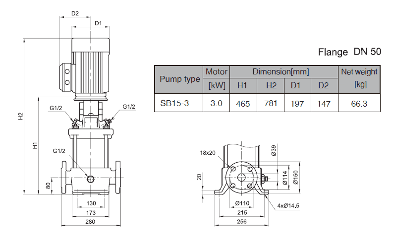
Габаритный чертеж насоса Stairs SB 15-3




































_1.jpg)




























































































































































































































































Гарантия 12 мес.