Видео
Анимация: принцип работы
Как работает центробежный насос с магнитной муфтой
Выбираем насос для химии
Как выбрать насос для кислоты и другой химии
Описание модели MDP-40RM-SS-220
Zenova MDP-40RM-SS-220 − профессиональный насос для пищевых и косметических линий, спроектированный под строгие требования по гигиене и безопасности.
Корпус выполнен из пищевой нержавеющей стали AISI 304, рабочее колесо − из высококачественного SPS-пластика. Благодаря магнитной муфте насос абсолютно герметичен: никакой утечки продукта. Он уверенно справляется с жидкостями плотностью до 1100 кг/м³ и работает в широком температурном диапазоне − от –20 до +105°C.
Характеристики модели:
Производительность: до 2,7 м³/ч
Максимальный напор: 4,6 м
Рабочая точка: 1,32 м³/ч при 4 м
Двигатель: 65 Вт, 220 В, 50 Гц
Условия эксплуатации
- Температура перекачиваемой жидкости должна быть в диапазоне от -20 до +105 °C.
- Диапазон температуры окружающей среды от 0 до +40 °C.
- Для работы насос должен быть установлен в горизонтальном положении.
- Запрещена эксплуатация насоса в режиме сухого хода (без жидкости).
Материалы конструкции
Корпус (casing) – нержавеющая сталь (AISI 304)
Рабочее колесо (impeller) - пищевой SPS пластик
Вал (shaft) и шайба – алюмоксидная керамика (95 ceramic)
Подшипники (bearing) – тефлон (PTFE)
Уплотнения (o-ring) – витон (FKM)
Магниты (magnet) – ферритовый сплав
Болты – нержавеющая сталь.
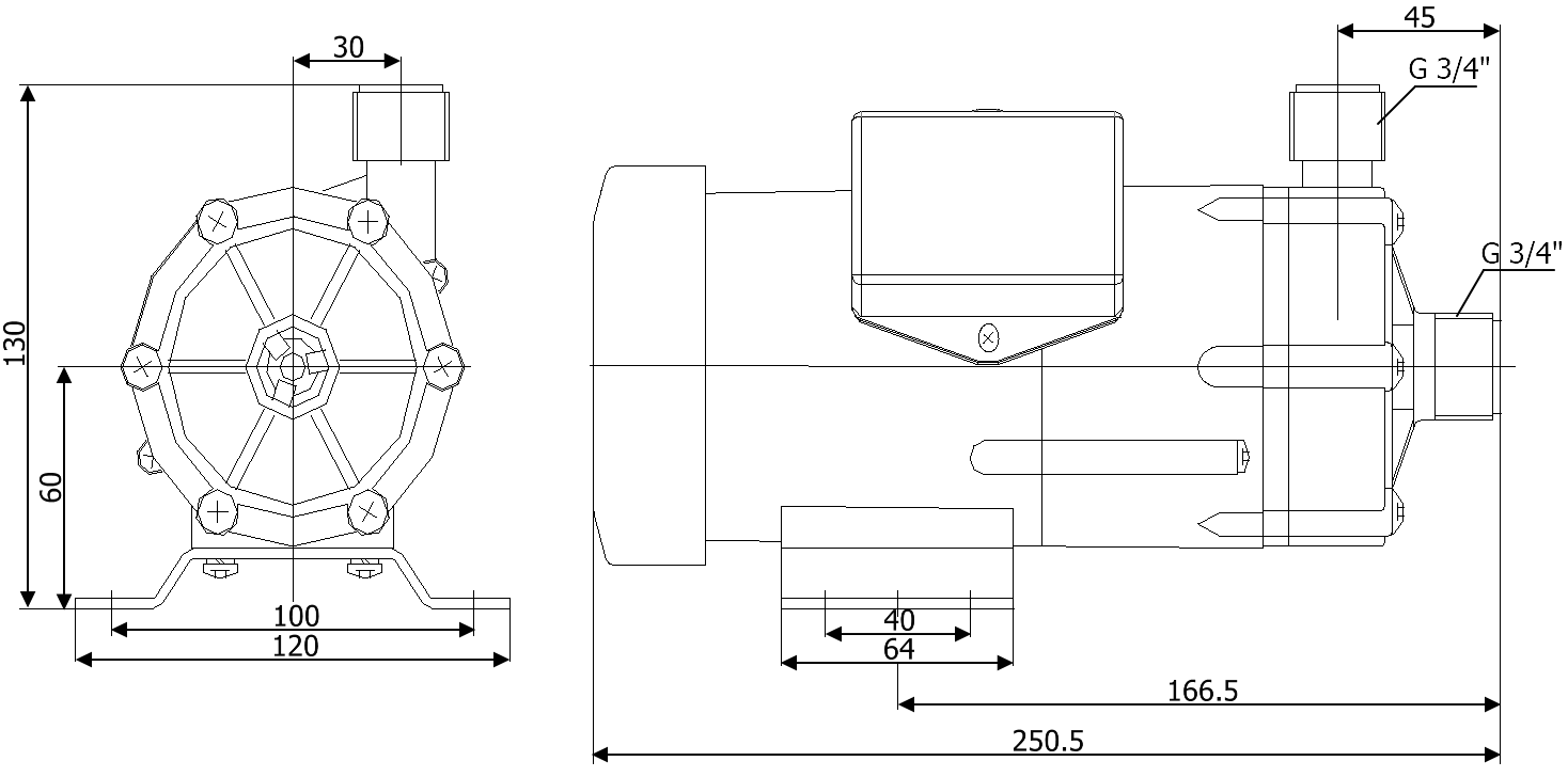
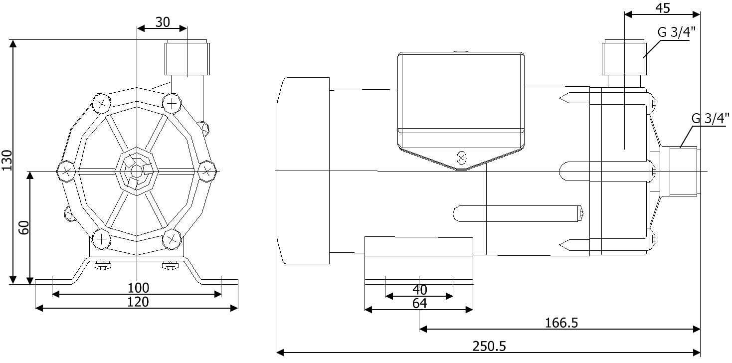
Габаритный чертеж насоса Zenova MDP-40RM-SS-220




































_1.jpg)































































































































































































































































Гарантия 24 мес.
