Описание модели 50NHCW-2
Полупогружной химический насос 50NHCW-2 позволяет перекачивать химически активные жидкости, в том числе сильно загрязненные. Насосная часть погружается в резервуар с жидкостью, а двигатель с плитой остаются снаружи.
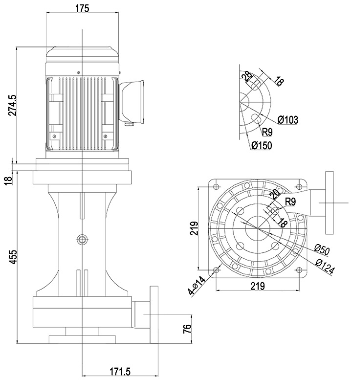
Максимальная производительность насоса 17 м3/час (283,3 л/мин), максимальный напор 15 м.в.ст.
Насос оснащен асинхронным двигателем мощностью 1,5 кВт, 2900 об/мин (2Р), напряжение 380 В, частота 50 Гц.
Длина погружной части – 455 мм, отверстие всасывания – 50 мм, отверстие нагнетания – 40 мм.
Материалы конструкции
Корпус и импеллер – полипропилен
Вал – сталь
Условия эксплуатации
- Температура жидкости должна быть в пределах от 0 до +80°C
- Насосы не должны перекачивать вязкие жидкости
- Насосы могут работать только в вертикальном положении (наклон и горизонтальное положение не допускаются)
- Насос не может использоваться для полного опорожнения емкостей. Всасывающий патрубок должен быть на расстоянии не менее 100-150 мм от дна
Габаритный чертеж насоса Vetlan 50NHCW-2
У нас пока нет отзывов по этой модели.
В настоящее время никто вопросов не задавал. Вы можете быть первым.




































_1.jpg)




























































































































































































































































Гарантия 12 мес.