Описание модели 80NHCW-10
Полупогружной химический насос 80NHCW-10 позволяет перекачивать химически активные жидкости, в том числе сильно загрязненные. Насосная часть погружается в резервуар с жидкостью, а двигатель с плитой остаются снаружи.
Максимальная производительность насоса 67 м3/час (1116,7 л/мин), максимальный напор 27 м.в.ст.
Насос оснащен асинхронным двигателем мощностью 7,5 кВт, 2900 об/мин (2Р), напряжение 380 В, частота 50 Гц.
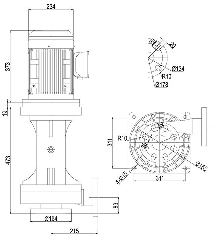
Длина погружной части – 473 мм, отверстие всасывания – 80 мм, отверстие нагнетания – 65 мм.
Материалы конструкции
Корпус и импеллер – полипропилен
Вал – сталь
Условия эксплуатации
- Температура жидкости должна быть в пределах от 0 до +80°C
- Насосы не должны перекачивать вязкие жидкости
- Насосы могут работать только в вертикальном положении (наклон и горизонтальное положение не допускаются)
- Насос не может использоваться для полного опорожнения емкостей. Всасывающий патрубок должен быть на расстоянии не менее 100-150 мм от дна
Габаритный чертеж насоса Vetlan 80NHCW-10
Кривые производительности
У нас пока нет отзывов по этой модели.
В настоящее время никто вопросов не задавал. Вы можете быть первым.




































_1.jpg)




























































































































































































































































Гарантия 12 мес.