Описание модели KCB 483.3-CCM/0.36/4/C
Шестеренный насос KCB 483.3-CCM/0.36/4/C консольного типа служит для перекачивания горячих масел с температурой до +200 °С и неагрессивных маслянистых жидкостей без тяжелых примесей, твердых частиц и волокон.
Корпус и шестерни насоса выполнены из ковкого чугуна (Cast Iron).
Уплотнение - механическое, на деле оно обеспечивает надежную герметичность, выдерживает температуру жидкости до +200 °С.
По умолчанию насос оснащен "предохранительным байпасным клапаном".
Производительность насоса 29 кубометров в час (483,3 литра в минуту), напорное давление 3,6 бар (36 метров). КПД 42 %.
Диаметр патрубков 3 " (80 мм), фланец.
Максимальная допустимая вязкость перекачиваемой жидкости составляет 1500 сстокс.
Максимальная допустимая вязкость перекачиваемой жидкости составляет 1500 сстокс.
Приводом насоса служит четырехполюсный двигатель 1450 об/мин, мощностью 7,5 кВт.
Насос и двигатель расположены на единой раме и соединены полумуфтой.
Конструкция шестеренных насосов KCB CCM
Насос состоит из пары шестерен, эксцентрикового вала, чугунного корпуса, механического уплотнения и предохранительного клапана.
- Механическое (торцевое) уплотнение, наиболее беспроблемно в эксплуатации, выдерживает температуру жидкости до +200 °С.
- Все насосы по умолчанию оснащены предохранительным байпасным клапаном, который открывается при избыточном давлении на напорной линии и возвращает жидкость обратно во всасывающую линию (или в резервуар) для уменьшения давления в напорной линии. Клапан рассчитан лишь на кратковременное включение, не на постоянную работу. Если давление в напорной линии длительное время превышает максимальное давление насоса, то для стравливания избыточного давления следует использовать отдельный от насоса байпасный клапан, рассчитанный на длительную работу.
- У всех моделей естественное воздушное охлаждение.
Условия эксплуатации
Насосы рекомендованы для промышленного применения в системах перекачки и нагнетания моторного масла, гидравлического масла, дизтоплива, сырой нефти и т.д.
- Температура перекачиваемой жидкости до +200 °С.
- Температура окружающей среды до 35 °С.
- Высота подъема жидкости до 5 метров. Насос может работать только под заливом: в рабочей камере всегда должна присутствовать жидкость.
- В спецификации к насосам указано номинальное потребление тока. В реальности оно может отличаться и превышать номинальное в 1,5 раза. Это нужно учитывать при подборе автомата защиты.
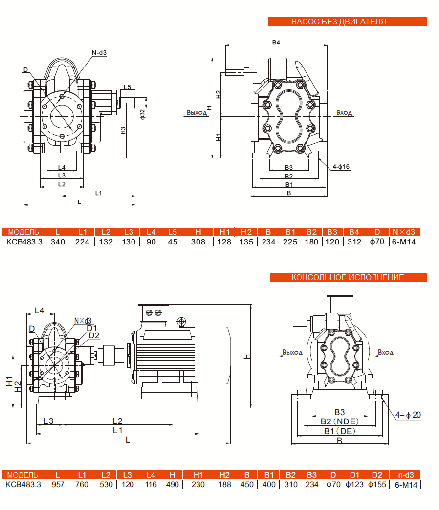
Габаритный чертеж насоса KCB 483.3-CCM/0.36/4/C
Кривые производительности
Видео
Видеоразбор ZY KCB
У нас пока нет отзывов по этой модели.
В настоящее время никто вопросов не задавал. Вы можете быть первым.




































_1.jpg)





























































































































































































































































Гарантия 12 мес.