Видео
Замена уплотнения
Меняем набивное уплотнение на шестеренном насосе
Анимация: принцип работы
Как работают насосы для горячих масел и битумов
Выставляем соосность
Как выставить соосность без специального оборудования
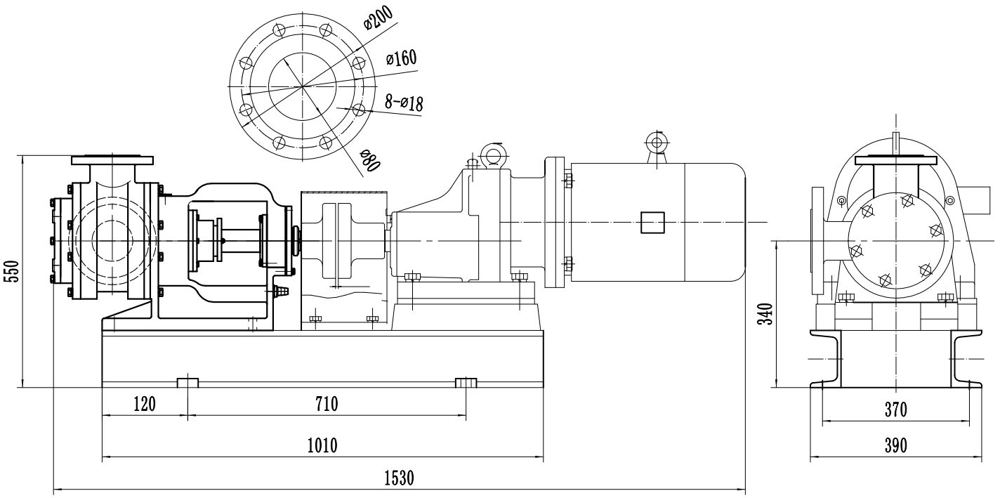
Описание модели NYP-80-11-305-R
Шестеренный насос с внутренним зацеплением ZY Technology NYP-80-11-305-R обеспечивает подачу жидкостей вязкостью до 6 000 сСт. Насос разработан в соответствии с потребностями нефтяной, химической, лакокрасочной, смазочной, фармацевтической, пищевой и др. промышленности. Служит для перекачивания вязких, горячих неагрессивных жидкостей без тяжелых примесей, твердых частиц и волокон.
Корпус насоса выполнен из ковкого чугуна. Ведущее и ведомое зубчатые колеса (шестерни) выполнены из легированной инструментальной стали 40 Cr. Уплотнение с графитовыми кольцами, выдерживает температуру жидкости до 200 °С.
Производительность насоса до 12 м3/ч (200 л/мин), напорное давление до 10 бар (100 м).
Рабочий объем 80 л/100 оборотов.
Диаметр патрубков 80 мм, фланец.
Приводом насоса служит трехфазный двигатель 380 кВт (50 Гц), скорость вращения 305 об/мин, мощность 11 кВт.
Преимущества насосов NYP с внутренним зацеплением по сравнению с внешним зацеплением
1. Насосы с внутренним зацеплением перекачивают более вязкие среды (до 100000 сСт).
2. Меньшая скорость вращения шестерен значительно снижает уровень шума работающего насоса.
3.Также скорость вращения влияет и на скорость износа шестерен. Чем медленнее они вращаются - тем медленнее их износ.
Приведем примеры жидкостей, которые могут перекачивать оба типа насосов.
|
Тип шестеренного насоса
|
Внешний
|
Внутренний
|
| Различное жидкое топливо и смазочные масла |
✔
|
✔
|
| Химические добавки и полимеры |
✔
|
|
| Кислоты и щелочи (конструкция из нержавеющей стали или композитных материалов) |
✔
|
|
| Смолы и полимеры |
|
✔
|
| Спирты и растворители |
✔
|
✔
|
| Асфальт, битум и гудрон |
|
✔
|
| Пенополиуретан (изоцианат и полиол) |
|
✔
|
| Пищевые продукты: кукурузный сироп, арахисовое масло, масло какао, шоколад, сахар, наполнители, растительные жиры, растительные масла, корма для животных. |
|
✔
|
| Краски, чернила и пигменты |
|
✔
|
| Мыла и ПАВ |
|
✔
|
| Гликоль |
|
✔
|
Материалы конструкции
Основные материалы в стандартной комплектации насосов NYP:
- Корпус насоса из чугуна.
- Вал, шестерни и втулки вала – легированная инструментальная сталь 40 Cr.
- Уплотнения — комбинация графитовых колец.
Габаритный чертеж насоса ZY Technology NYP-80-11-305-R




































_1.jpg)




























































































































































































































































Гарантия 12 мес.
