Описание модели ASV-100
Одноступенчатый пластинчато-роторный вакуумный насос AiVac ASV-100 позволяет создавать глубокий вакуум в промышленных или лабораторных условиях. Максимальная производительность составляет 100 м³/час. Наибольшая глубина вакуума (остаточного давления) - 0,3 мбар. Абсолютное (остаточное) давление с открытым газобалластным клапаном в положении 1 составляет 0,5 мбар. Абсолютное (остаточное) давление с открытым газобалластным клапаном в положении 2 составляет 1,5 мбар. Двигатель в этой модели трехфазный, на 380 вольт. На патрубках насоса трубная внутренняя резьба.
Насос ASV-100 рассчитан на непрерывную работу и может "трудиться" даже по 24 часа в сутки. Все компоненты насоса рассчитаны на высокий ресурс в десятки тысяч часов.
В насосе используется вакуумное масло ISO VG 46.
Насос оборудован встроенным обратным клапаном для защиты вакуумной линии от взрывной разгерметизации. Обратите внимание, что этот клапан не предназначен для длительного удержания вакуума после отключения насоса. Если вам нужно обеспечить герметичность вакуумной линии после отключения насоса — установите дополнительный электрический клапан или вакуумный кран.
Реальный внешний вид
![]() | ![]() |

Применение насосов ASV
Как и прочие пластинчато-роторные вакуумные насосы серия ASV применяется:
- В вакуумной сушке,
- В вакуумной упаковке на пищевых или прочих производствах,
- В полиграфии,
- При дегазации смесей или паст,
- В текстильной отрасли для закрепления краски и сушения кожи,
- В металлургии для дегазации металлов, для создания инертной атмосферы в вакуумных печах,
- При производстве полупроводников.
Преимущества серии ASV
В целом уровень серии ASV выше уровня аналогичной продукции большинства китайских заводов. Основными конкурентами серии ASV являются одноступенчатые пластинчатые насосы немецких и итальянских производителей. Насосы ASV имеют следующие преимущества:
- Высокое качество литья корпуса без раковин и с идеальной геометрией.
- Высокое качество финишной обработки ключевых деталей насоса.
- Использование высокоточных прецизионных станков немецкого производства при обработке ключевых деталей.
- Использование высококачественных компонентов, рассчитанных на десятки тысяч часов работы.
- Электродвигатели насосов ASV имеют 100% медную обмотку.
- Встроенный газобалластный клапан позволяет избежать появления водяного конденсата в насосе и защитить внутренние элементы от коррозии, а также продлить срок службы масла.
- Высококачественный фильтр масляного тумана делает выхлоп насоса более чистым, чем у насосов без фильтра масляного тумана.
- Срок службы насосов при должном техническом обслуживании составляет не менее 20 000 часов.
Материалы конструкции
- Корпус – сталь;
- Лопатки – алюминий.
Условия эксплуатации
- Температура окружающей среды должна быть в пределах от +10 до +40°C.
- Содержание кислорода в откачиваемом воздухе не должно превышать 21% во избежание возгорания.
- Все насосы серии ASV используют вакуумное масло ISO VG 46.
Обратите внимание на рекомендуемое время непрерывной работы одноступенчатых насосов – оно зависит от давления на входе и ориентировочно составляет:
- Не более 10 минут с атмосферным давлением на входе.
- Не более 30 минут с давлением на входе 0.5 — 1 атмосферы.
- Не более двух часов с давлением на входе от 200 до 500 мБар.
- Не более 8 часов с давлением на входе от 50 до 200 мБар.
- Без ограничения времени с давлением на входе менее 50 мБар.
Если насос стартует с атмосферным давлением на входе и затем за 10 минут достигает 50 мБар, то он может работать без ограничения времени.
Комплект поставки
- Насос
- Масло для первой заправки ISO VG 46
- Инструкция по эксплуатации
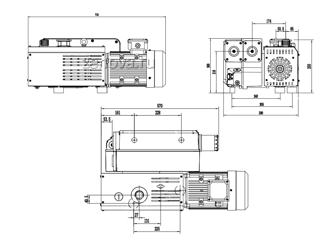
Габаритный чертеж AiVac ASV-100
Кривые производительности
Видео и 3D-фото
Комплектность пластинчато-роторного вакуумного насоса AiVac ASV-100

AiVac ASV – мощный вакуум за ДЕШЕВО. Одноступенчатый пластинчато-роторный вакуумный насос
Почему важно прогревать насос в начале работы
Влияет ли глушитель на уровень вакуума в вакуумных насосах?




































_1.jpg)



































































































































































































































































Гарантия 12 мес.

