Описание модели EU 1000
Пластинчато-роторный вакуумный насос EU 1000 с масляной циркуляционной смазкой итальянской фирмы PVR имеет рабочую точку по производительности 900 м³/час при остаточном давлении 0.52 мбар. Обратите внимание, что в других каталогах часто указывают максимальные значения производительности и давления, которые не следует учитывать при подборе.
Комплектация
Вакуумный насос EU 1000 укомплектован на входе сеткой-фильтром, защищающей от попадания в рабочую камеру твердых частиц крупнее 1 мм, встроенным обратным клапаном, газобалластным клапаном.
Аксессуары
При покупке вакуумного насоса EU 1000 возможно приобретение следующих дополнительных принадлежностей для установки и эксплуатации насоса:
внешний фильтр для всасывающей линии;
индикатор загрязнения маслосепаратора;
датчик контроля уровня масла.
Как выглядит масляный вакуумный насос EU 1000?
Ниже приведено ТОЧНОЕ внешнее изображение данной модели. Обратите внимание, что оно может отличаться от изображения, приведенного выше.

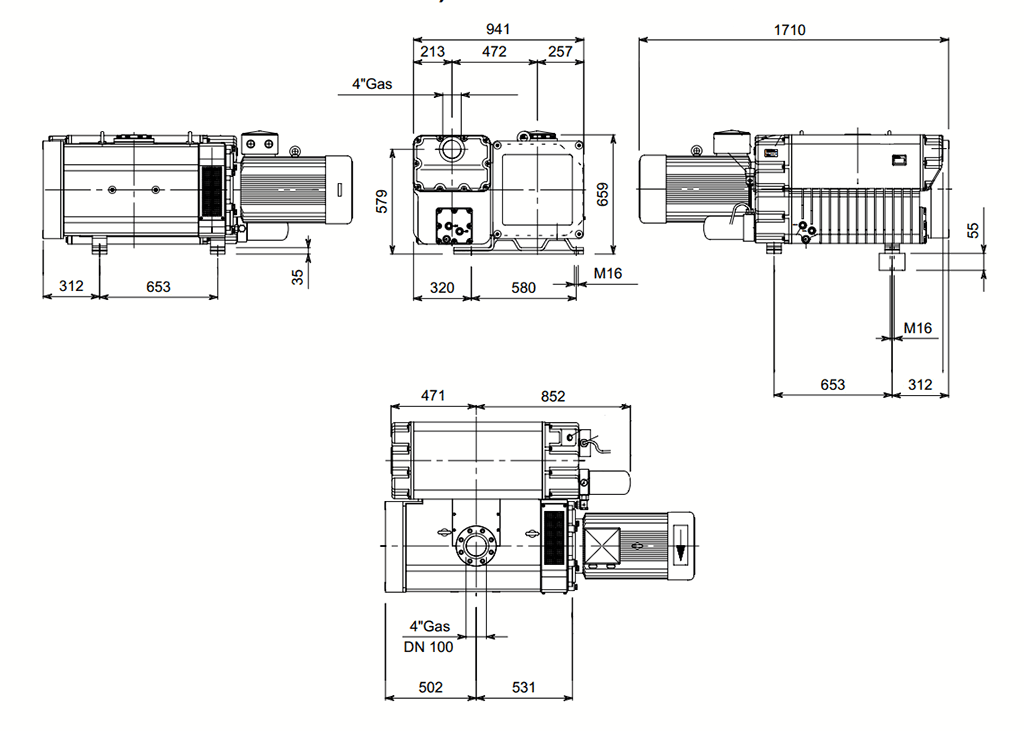
Габаритный чертеж масляного вакуумного насоса EU 1000
Кривые производительности
У нас пока нет отзывов по этой модели.
В настоящее время никто вопросов не задавал. Вы можете быть первым.




































_1.jpg)




























































































































































































































































Гарантия 12 мес.