Описание модели UVL 60
Пластинчато-роторный масляный вакуумный насос UVL 60 итальянской фирмы Pneumofore имеет рабочую точку по производительности 65 м³/час при остаточном давлении 0.3 мбар. Обратите внимание, что в других каталогах часто указывают максимальные значения производительности и давления, которые не следует учитывать при подборе.
Комплектация
Вакуумный насос UVL 60 укомплектован картриджем всасывающего фильтра, эффективной системой возврата масла в насос (установлена внутри резервуара), устройством газобалласт, индикатором уровня масла, предохранительным клапаном.
Аксессуары
Всасывающие фильтры с колпаком из металла, фильтры для отделения конденсата водяного пара, Вакуумный манометр, автомат давления и другие аксессуары доступны для каждого типа применения
Как выглядит масляный вакуумный насос UVL 60 ?
Ниже приведено ТОЧНОЕ внешнее изображение данной модели. Обратите внимание, что оно может отличаться от изображения, приведенного выше.

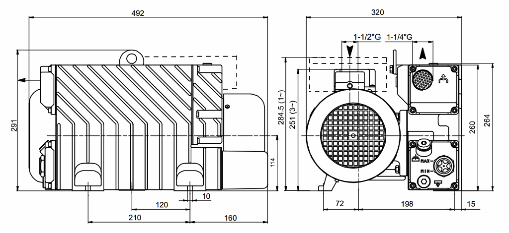
Габаритный чертеж масляного вакуумного насоса UVL 60
Кривые производительности
У нас пока нет отзывов по этой модели.
В настоящее время никто вопросов не задавал. Вы можете быть первым.




































_1.jpg)




























































































































































































































































Гарантия 12 мес.