Видео
Прогрев насоса
Почему важно прогревать насос в начале работы
Глушитель и уровень шума
Влияет ли глушитель на уровень вакуума в вакуумных насосах?
Подбор вакуумного фильтра
Вакуумные фильтры: как правильно подобрать?
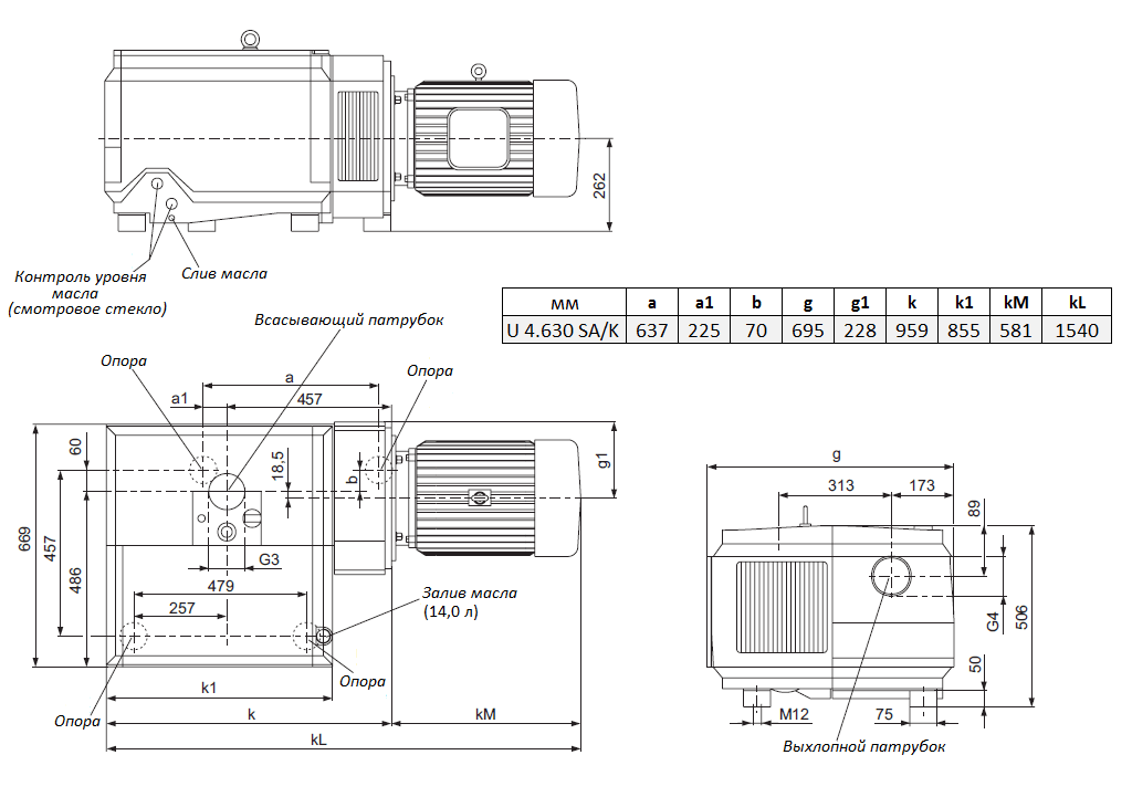
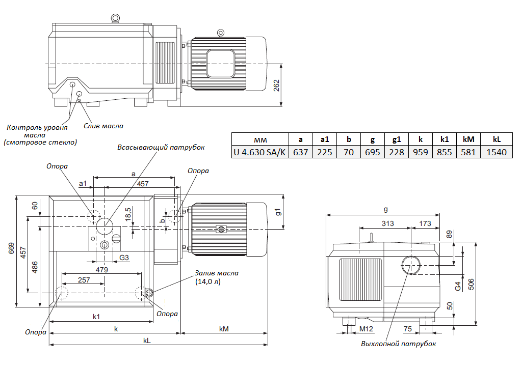
Описание модели U 4.630 SA/K
Вакуумный насос Becker U 4.630 SA/K – это надежный пластинчато-роторный агрегат для создания технического вакуума в герметичных рабочих пространствах. Вакуумное масло в рабочей камере, перемешиваясь с воздухом, устраняет зазоры между рабочими лопатками и корпусом насоса, обеспечивая увеличение глубины вакуума. Насос собран в традициях немецкого качества известным производителем оборудования для сжатого воздуха - Gebr. BECKER GmbH.
Зона использования насоса охватывает предприятия пищевой, деревообрабатывающей, химической промышленности, полиграфию, пневмотранспорт, экологию, фармацевтику и медицину.
Модель Becker U 4.630 SA/K откачивает воздух и неагрессивные газы из вакуумируемой емкости со скоростью от 1 до 622 м3/час до предельного вакуума 3 мбар (2,3 мм рт. столба). Требуемый объем масла 14 литров.
На насосе установлен трехфазный электродвигатель мощностью 15,0 кВт, 970 об/мин.
Современный компактный кожух уменьшает шум до 80 дБ.
Модель может оснащаться фильтром на входе (опция).
Ограничения по эксплуатации
- Температура воздуха должна быть от +5 до +40 ºС.
- Относительная влажность воздуха не более 90 %.
- Воздух не должен содержать примесей агрессивных или взрывоопасных газов.
Что входит в комплект поставки
- Насос.
- Инструкция.
- Обратный клапан (опционально).
- Газобалластное устройство (опционально).
- Отдельный гарантийный талон не прилагается (гарантия по накладной или товарному чеку 12 месяцев со дня продажи).
Габаритный чертеж насоса Becker U 4.630 SA/K
Кривые производительности
У нас пока нет отзывов по этой модели.
В настоящее время никто вопросов не задавал. Вы можете быть первым.




































_1.jpg)




























































































































































































































































Гарантия 12 мес.