Описание модели VCA25-01AA
Одноступенчатый пластинчато-роторный вакуумный насос Elmo Rietschle VCA25-01AA с масляной смазкой служит для создания вакуума в сосуде или закрытой системе. Он откачивает исходный объем воздуха, газа и парогазовых смесей до остаточного давления 0,5 мбар. Насос работает очень тихо, имеет компактные габариты. В списке оснащения - микрофильтр на входе, маслоотделитель и выхлопной фильтр на выходе, газобалластное устройство и обратный клапан.
Производительность модели 25 м3/ч (416,6 л/мин), остаточное давление до 0,5 мбар (абс.).
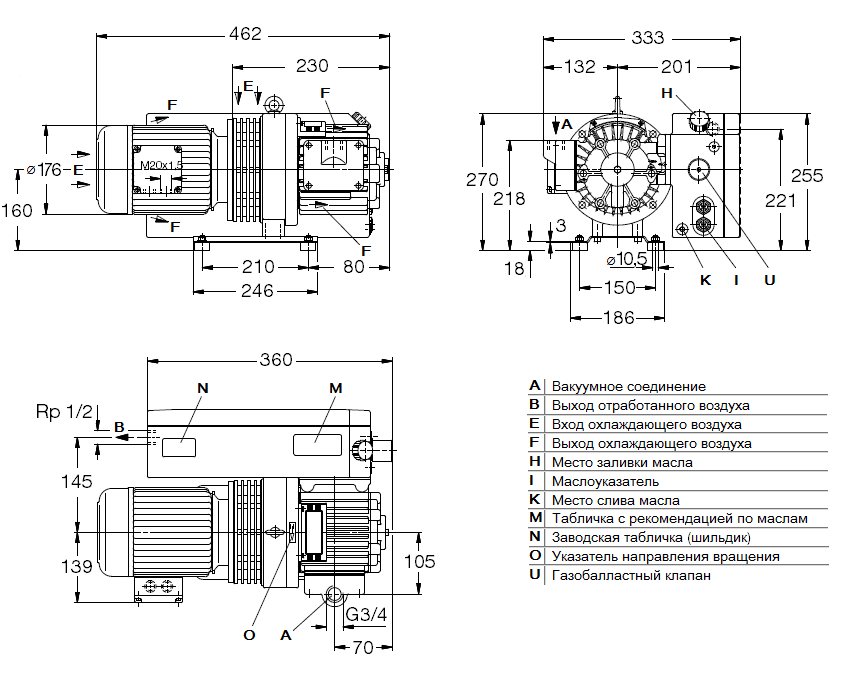
Присоединение на входе G 3/4 ".
Объем масла 1 л, расход масла варьируется в зависимости от условий эксплуатации.
Приводный двигатель соответствуют стандарту DIN EN 60034. Режим работы S1. Класс защиты IP 55.
Электротехнические данные - 3 фазы/380 В/50 Гц, 1450 об/мин, мощность 0,75 кВт.
Вентилятор между корпусом насоса и двигателя обеспечивает интенсивное охлаждение двигателя и циркулирующего масла.
Уровень звука модели 57 дБ (А).
Комплект поставки
- Насос
- Документация поставки: руководство по эксплуатации, декларация о соответствии.
- Сопутствующие документы: список запасных частей, технический паспорт, декларация производителя.
График рабочих характеристик Elmo Rietschle VCA25-01AA
Габаритный чертеж насоса Elmo Rietschle VCA25-01AA
У нас пока нет отзывов по этой модели.
В настоящее время никто вопросов не задавал. Вы можете быть первым.




































_1.jpg)




























































































































































































































































Гарантия 12 мес.