Описание модели GMPT 520/530
Одноступенчатый водокольцевой вакуумный насос Ангара GMPT 520/530 способен откачивать сухие и важные неагрессивные газы до предельного вакуума 106 мбар. Насос производится турецкой компанией GUCUM, применяется в пищевой, химической, текстильной, стеклодувной, фармацевтической промышленности, в производстве пластмасс, кирпича и черепицы.
Корпус насоса выполнен из углеродистой стали, рабочее колесо из бронзы. Патрубки чугунные диаметром 200 мм с фланцевым присоединением. Уплотнение насоса механическое из карбида кремния. Оно полностью исключает утечку сервисной жидкости. По специальному заказу насос и все его внутренние детали могут быть изготовлены из нержавеющей стали AISI 304 или AISI 316
Производительность насоса до 2800-2900 м3/час, зависит от влажности перекачиваемого газа
Насос оснащен трехфазным IEC двигателем, 380 В (50 Гц), 8P (735 об/мин), мощностью 75 кВт.
График производительности насоса Ангара GMPT 520/530 при различной влажности воздуха
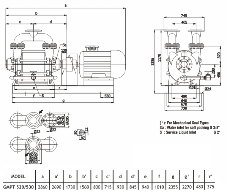
Габаритный чертеж насоса Ангара GMPT 520/530
У нас пока нет отзывов по этой модели.
В настоящее время никто вопросов не задавал. Вы можете быть первым.




































_1.jpg)




























































































































































































































































Гарантия 12 мес.