Видео
Как устроен водокольцевой насос
Анимация: устройство и принцип работы водокольцевого вакуумного насоса
Описание модели SKA-SS 2061
Водокольцевой вакуумный насос SKA-SS 2061 позволяет откачать закрытые объемы влажного воздуха и другого неагрессивного газа до остаточного давления 33 мбар (97 % вакуума). Конструкция насоса одноступенчатого типа. Импеллер (рабочее колесо), корпус и разделительная пластина выполнены из нержавеющей стали AISI304.
Производительность насоса до 52 м3/ч (866 л/мин), глубина остаточного давления 33 мбар (степень вакуума 97%).
Условный проход патрубков G 1" (25 мм).
Расход операционной жидкости (воды) 0,12 м3/ч (2 л/мин).
На насосе установлен трехфазный двигатель 380 В (50 Гц), 2850 об/мин (2Р), мощностью 1,45 кВт.
Кл. изоляции F, IP 54.
Уровень шума 65 ± 3 дБ(A)
При заказе насоса и подготовке к его установке обратите внимание! Всасывающий патрубок расположен справа, нагнетающий слева.
Условия эксплуатации
- Максимальная температура откачиваемого воздуха/газа до 100°С
- Температура окружающей среды: от +5 °С до +40°С
- Не предназначен для работы с агрессивными газами
- Концентрация операционной жидкости от 6,5 до 9,5 рН. Без твердых материалов (например, песка)
- В спецификации к насосам указано номинальное потребление тока – в реальности оно может отличаться и превышать номинальное в 1,5 раза. Это нужно учитывать при подборе автомата защиты
Области применения
- Вакуумная сушка
- Нефтехимия
- Фармацевтика
- Вакуумные медицинские отсосы
- Пищевая и сахарная промышленность
- Деревообработка и другие
Комплект поставки
- Насос
- Инструкция
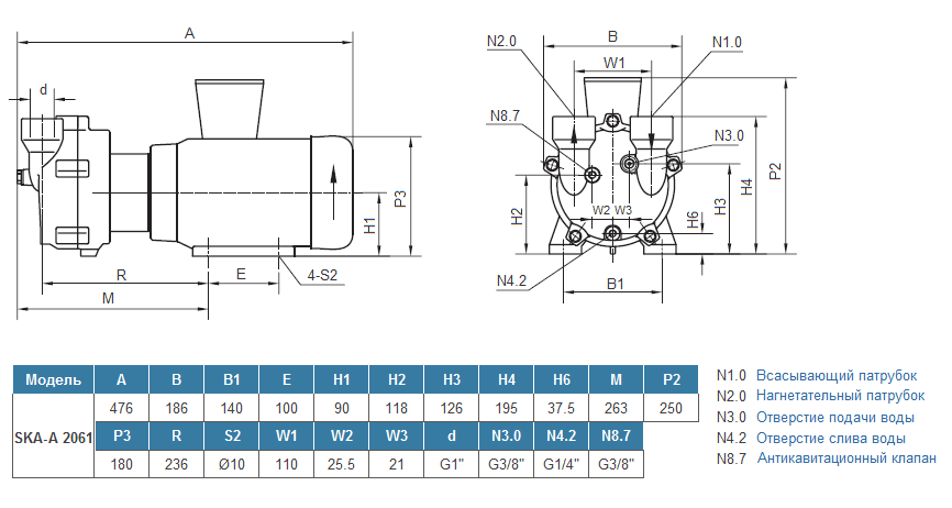
Габаритный чертеж насоса Vetlan SKA-SS 2061




































_1.jpg)






























































































































































































































































Гарантия 24 мес.
