Видео
Как устроен водокольцевой насос
Анимация: устройство и принцип работы водокольцевого вакуумного насоса
Описание модели SKA-SS 5111
Водокольцевой вакуумный насос SKA-SS 5111 позволяет откачать закрытые объемы влажного воздуха и другого неагрессивного газа до остаточного давления 33 мбар (97 % вакуума). Конструкция насоса одноступенчатого типа. Импеллер (рабочее колесо), корпус и разделительная пластина выполнены из нержавеющей стали AISI304. Имеется клапан антикавитационной защиты, кран для клапана входит в комплект поставки.
Производительность насоса до 230 м3/ч (3833 л/мин), глубина остаточного давления 33 мбар (степень вакуума 97%).
Условный проход патрубков DN 50, фланцевое соединение.
Расход операционной жидкости (воды) 8,3 л/мин.
На насосе установлен трехфазный двигатель 380 В (50 Гц), 1450 об/мин (4Р), мощностью 5,5 кВт.
Кл. изоляции F, IP 54.
Уровень шума 68 ± 3 дБ(A)
При заказе насоса и подготовке к его установке обратите внимание! Всасывающий патрубок расположен справа, нагнетающий слева.
Условия эксплуатации
- Максимальная температура откачиваемого воздуха/газа до 100°С
- Температура окружающей среды: от +5 °С до +40°С
- Не предназначен для работы с агрессивными газами
- Концентрация операционной жидкости от 6,5 до 9,5 рН. Без твердых материалов (например, песка)
- В спецификации к насосам указано номинальное потребление тока – в реальности оно может отличаться и превышать номинальное в 1,5 раза. Это нужно учитывать при подборе автомата защиты
Области применения
- Вакуумная сушка
- Нефтехимия
- Фармацевтика
- Вакуумные медицинские отсосы
- Пищевая и сахарная промышленность
- Деревообработка и другие
Комплект поставки
- Насос
- Инструкция
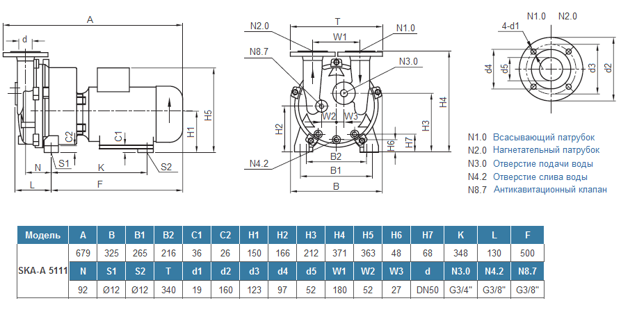
Габаритный чертеж насоса Vetlan SKA-SS 5111




































_1.jpg)


































































































































































































































































Гарантия 24 мес.
