Видео
Сравнение водокольцевых насосов
Сравнение SKA-A с насосами SKA и Yulo 2BV
Как устроен водокольцевой насос
Анимация: устройство и принцип работы водокольцевого вакуумного насоса
Описание модели SKA-A 2060 (колесо чугун)
Водокольцевой вакуумный насос SKA-A 2060 позволяет откачать воздух и иные газы из закрытых объемов.
- Благодаря улучшенной геометрии корпуса и импеллера насос способен реально обеспечить заявленный заводом параметры (в отличие от многих других насосов). Проверено на нашем испытательном стенде.
- Благодаря антикору внутренних элементов импеллер не "закисает" и насос всегда легко стартует. Кроме того, это продляет срок службы насоса.
- Конструкция насоса одноступенчатая.
- Производительность насоса до 27 м3/ч (450 л/мин),
- Глубина остаточного давления 33 мбар (степень вакуума 97%).
- Импеллер, корпус и распределительная плата выполнены из чугуна.
- Присоединение воздушной линии резьбовое G1" (25 мм).
- Присоединение для подвода воды резьбовое G 3/8" (10 мм).
- Расход операционной жидкости (воды) 0,12 м3/ч (2 л/мин).
- Уровень шума 65 ± 3 дБ(A).
На насосе установлен асинхронный трехфазный двигатель 380 В (50 Гц), 2850 об/мин (2Р), мощностью 0,81 кВт.
Класс изоляции F, IP 54.
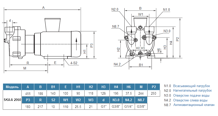
При заказе насоса и подготовке к его установке обратите внимание! Всасывающий патрубок расположен справа, нагнетающий слева.
Чем отличаются модели SKA-A от SKA-AS?
| SKA-A | SKA-AS | |
| корпус насоса | чугун | чугун |
| материал рабочего колеса | чугун | нержавеющая сталь AISI 304 |
| крепление рабочего колеса на вал | надевается на вал «впритирку» | на болтах |
Основные отличия между сериями объясняют разницу в цене: В SKA-AS импеллер из нержавейки, он крепится к валу болтами – при необходимости снять его очень легко.
В SKA-A предварительно разогретый чугунный импеллер одевается непосредственно на вал. Это серьезно удешевляет производственный процесс, но в дальнейшем осложняет техническое обслуживание насоса. Например, для замены уплотнения импеллер нужно как-то снять. Это можно сделать при помощи длинных «съемников», нагрева рабочего колеса или комбинации этих методов. На практике это может быть очень сложной задачей.
Поэтому мы рекомендуем в качестве решения по умолчанию именно насосы SKA-AS.
Насосы SKA-A можно использовать, когда нужно критически снизить стоимость начальной закупки без прицела на долговечность и удобное техническое обслуживание насоса.
Условия эксплуатации
- Температура окружающей среды: от +5 °С до +40°С
- Максимальная температура откачиваемого воздуха/газа до +100°С
- Не предназначен для работы с агрессивными газами
- Сервисная жидкость в насосе должна быть чистой, с pH 6,5 до 9,5
- В спецификации к насосам указано номинальное потребление тока. В реальности оно может отличаться и превышать номинальное в 1,5 раза. Это нужно учитывать при подборе автомата защиты
Материалы исполнения
- Корпус, разделительная пластина, импеллер – чугун
- Внутренняя часть корпуса имеет антикоррозионное покрытие
- Вал – конструкционная сталь #45
- Высококачественное механическое уплотнение марки FEIGU – карбид кремния, нержавеющая сталь AISI 304, фторкаучук
- Подшипники – высокотемпературные подшипники марки C&U
Области применения
- Вакуумная сушка
- Нефтехимия
- Фармацевтика
- Вакуумные медицинские отсосы
- Пищевая и сахарная промышленность
- Деревообработка и другие
Комплект поставки
- Насосы SKA-A поставляются в индивидуальном ящике из фанеры для безопасной транспортировки
- В комплекте с насосом идет инструкция на английском языке – на русском вы найдете на нашем сайте, на этой странице
Габаритный чертеж насоса Vetlan SKA-A 2060 (колесо чугун)




































_1.jpg)

































































































































































































































































Гарантия 12 мес.