Описание модели BL-1050-460
Вихревая воздуходувка BL-1050-460 производства Китай имеет рабочую точку по производительности 490 м3/ч при давлении 460 мбар. Обратите внимание, что в других каталогах часто указывают максимальные значения производительности и давления, которые не следует учитывать при подборе.
Шумоглушитель
Воздуходувка BL-1050-460 оснащена встроенным шумоглушителем на всосе и нагнетании, благодаря чему уровень шума составляет всего 74 дБ.
Аксессуары
При покупке воздуходувки BL-1050-460 рекомендуем также приобрести следующие дополнительные комплектующие:
1. Фильтр в сборе (конус) + соединение.
2. Установочный комплект (гибкий шланг, клапан обратный, манометр, гибкий шланг с фитингами, антивибрационный кронштейн).
3. Бумажный фильтр.
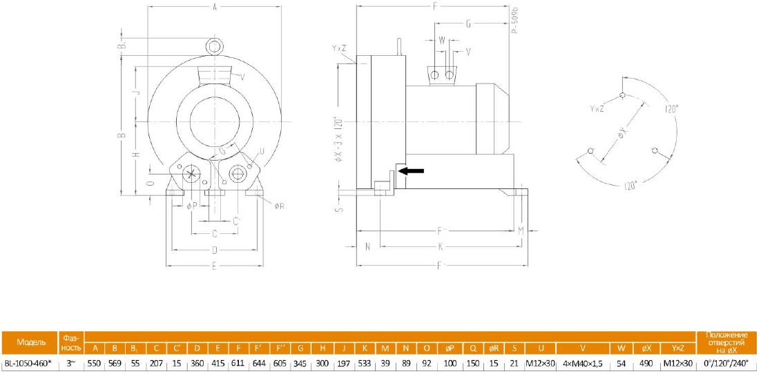
Габаритный чертеж воздуходувки BL-1050-460
Кривые производительности
У нас пока нет отзывов по этой модели.
В настоящее время никто вопросов не задавал. Вы можете быть первым.




































_1.jpg)




























































































































































































































































Гарантия 12 мес.