Описание модели BL-120-360
Вихревая воздуходувка BL-120-360 производства Китай имеет рабочую точку по производительности 32 м3/ч при давлении 360 мбар. Обратите внимание, что в других каталогах часто указывают максимальные значения производительности и давления, которые не следует учитывать при подборе.
Шумоглушитель
Воздуходувка BL-120-360 оснащена встроенным шумоглушителем на всосе и нагнетании, благодаря чему уровень шума составляет всего 64 дБ.
Аксессуары
При покупке воздуходувки BL-120-360 рекомендуем также приобрести следующие дополнительные комплектующие:
1. Фильтр в сборе (конус) + соединение.
2. Установочный комплект (гибкий шланг, клапан обратный, манометр, гибкий шланг с фитингами, антивибрационный кронштейн).
3. Бумажный фильтр.
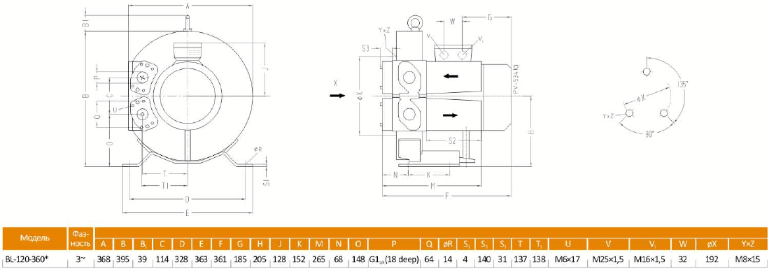
Габаритный чертеж воздуходувки BL-120-360
Кривые производительности
У нас пока нет отзывов по этой модели.
В настоящее время никто вопросов не задавал. Вы можете быть первым.




































_1.jpg)




























































































































































































































































Гарантия 12 мес.