Видео
Подбор вакуумного фильтра
Вакуумные фильтры: как правильно подобрать?
Как работает система вакуумного прижима
Классы изоляции электродвигателя
Насколько горячий воздух в воздуходувке?
Герметизируем вихревую воздуходувку
Поднимет ли воздуходувка арбуз?
Кто громче: воздуходувка или оперный певец?
Разборка
Разбираем воздуходувку правильно
Как (не) сжечь подшипники у воздуходувки
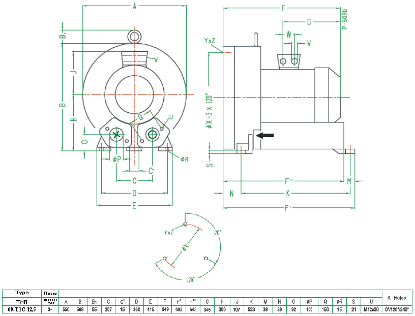
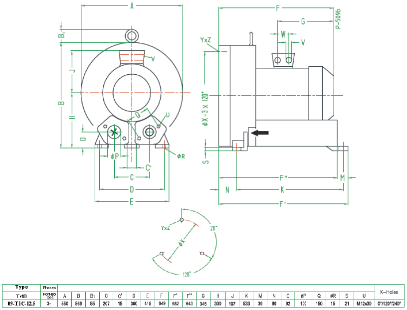
Описание модели MT 09-T1C-12,5
Вихревая воздуходувка MT 09-T1C-12,5 китайского производства имеет рабочую точку по производительности 1000 м3/ч при давлении 180 мбар. Обратите внимание, что в других каталогах часто указывают максимальные значения производительности и давления, которые не следует учитывать при подборе.
Шумоглушитель
Воздуходувка MT 09-T1C-12,5 оснащена встроенным шумоглушителем на всосе и нагнетании, благодаря чему уровень шума составляет всего 75 дБ.
Аксессуары
При покупке воздуходувки MT 09-T1C-12,5 рекомендуем также приобрести следующие дополнительные комплектующие:
1. Фильтр в сборе (конус) + соединение.
2. Установочный комплект (гибкий шланг, клапан обратный, манометр, гибкий шланг с фитингами, антивибрационный кронштейн).
3. Бумажный фильтр.
Габаритный чертеж воздуходувки MT 09-T1C-12,5
Кривые производительности
У нас пока нет отзывов по этой модели.
В настоящее время никто вопросов не задавал. Вы можете быть первым.




































_1.jpg)




























































































































































































































































Гарантия 12 мес.