Описание модели FAM/15
Шестеренный насос FAM/15 итальянской фирмы Fraccarolo способен перекачивать различные вязкие жидкости с производительностью 15 м³/час при давлении 60 м.в.ст.
Использование байпаса
Насос FAM/15 может быть поставлен пользователю с байпасом. Байпас позволяет направлять часть жидкости из напорного трубопровода обратно во всасывающий. Это позволяет регулировать давление насоса при необходимости получить давление меньше 60 метров водяного столба (6 бар). Обратите внимание, что при таком способе регулирования потребляемая мощность не уменьшается.
Варианты поставки
Насос FAM/15 может быть поставлен полностью в сборе: насосная часть и электродвигатель установлены на общей раме и соединены ответной полумуфтой. Также возможна поставка только насосной части с полумуфтой без двигателя и рамы. Цены на сайте указаны для варианта полностью в сборе.
Конструкция
Шестеренные насосы FAМ – это компактные насосы объемного типа действия, оборудованные рубашкой обогрева, которая позволяет перекачивать вязкие жидкости, требующие обязательного внутреннего разогрева.
Конструкция насоса FAM представляет собой набор стальных шестерней, заключенных в прочный чугунный корпус (G25). Для работы в тяжелых условиях насос оборудуется специальными самосмазывающимися подшипниками и сальниковыми уплотнениями для улучшения герметичности системы. На насосе устанавливается также асинхронная трехфазная силовая установка и эластичная муфта с защитой.
В моделях с буквой "В" имеется предохранительный клапан защищающий от чрезмерного давления (байпас).
Стационарная или мобильная установка
Насосы серии FAM обычно устанавливаются стационарно, однако при необходимости возможная мобильная установка на подвижной тележке.

На изображении показан насос FAM подсоединенный к трубопроводу с помощью фланцев.
Сетка красного цвета предназначена для защиты от прикосновений к защитной полумуфте.

А на этом изображении показан вариант мобильной установки насоса FAM.
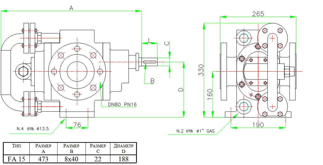
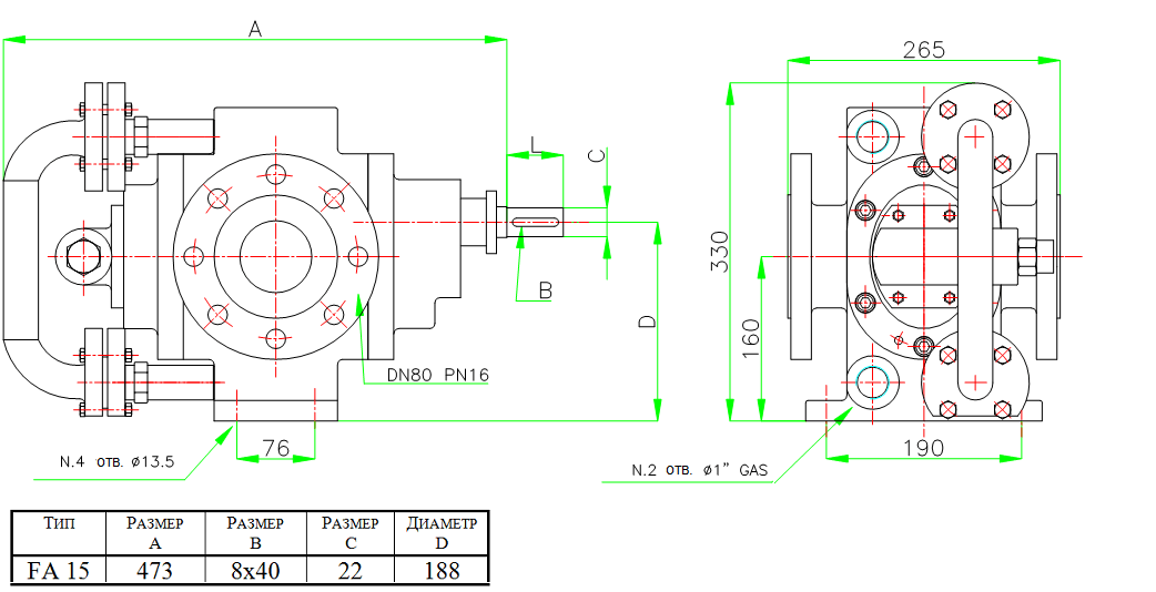
Габаритные размеры насоса Fraccarolo FAM/15
Видео
Чем отличается дюйм от дюйма?
У нас пока нет отзывов по этой модели.
В настоящее время никто вопросов не задавал. Вы можете быть первым.




































_1.jpg)




























































































































































































































































Гарантия 12 мес.