Видео
Разбор + обзор
Разбор и первые впечатления от KCB-A CCM
Подключение
Как подключить шестеренный насос KCB-A
Анимация: принцип работы
Как работают насосы для горячих масел и битумов
Байпасный клапан
Виды и принцип работы байпасного клапана
Выставляем соосность
Как выставить соосность без специального оборудования
Мембранный vs Шестеренный
Какой насос выбрать? Шестеренный или мембранный!?
Замена уплотнения
Как заменить и настроить набивное уплотнение
Описание модели KCB-A 633-CCG/0.8/6/C
Шестеренный консольный насос KCB-A 633-CCG/0.8/6/C способен перекачивать горячие масла и масляные жидкости температурой +260 °С.
Корпус и шестерни насоса выполнены из ковкого чугуна (Cast Iron).
Набивное уплотнение с графитовой пропиткой позволяет насосу выдерживать высокие температуры жидкости.
По умолчанию насос оснащен предохранительным байпасным клапаном.
Внутри установлены подшипники NSK.
Производительность насоса 42 кубометров в час (700 литров в минуту), напорное давление 8 бар (80 метров). КПД 43 %.
Диаметр патрубков 4 " (100 мм), фланец из ряда PN 10 по стандарту GB/T 9119.
Максимальная допустимая вязкость перекачиваемой жидкости составляет 10 000 сстокс.
Приводом насоса служит шестиполюсный двигатель 970 об/мин, класс энергоэффективности IE3, мощностью 22 кВт.
Насос и двигатель расположены на единой раме и соединены полумуфтой.
Направления перекачки

Если смотреть на насос со стороны «головы», всасывающий патрубок находится справа, а напорный – слева; со стороны двигателя – наоборот. Направление работы каждого насоса уточняйте по стрелке на головке: насосы с головками одинакового размера вращаются и качают в одну и ту же сторону.
Опыт использования высокотемпературных шестеренных насосов. Что важно знать?
Мы собрали клиентский опыт использования насосов KCB-A CCG с графитовым уплотнением, чтобы вы могли выбрать агрегат более осознанно:
1. Насосы KCB-A CCG допускают температуру жидкости до +260 °С при кратковременном режиме работы и до +200 °С в длительном режиме. Если рабочая температура масла превышает +200 °С в течение длительного времени, то уплотнения насосов начнут подтекать. В этих случаях лучше использовать центробежные высокотемпературные насосы (серия LQRY или RY).
2. Шестеренные насосы крайне не любят перекачивать загрязненные жидкости с твердыми частицами. Если в масле (мазуте, отработке) много твердых частиц, то шестерни быстро износятся. Насос станет шуметь и перестанет обеспечивать необходимое давление. С августа 2020 года мы используем улучшенную сталь для вала и шестерен, однако по прежнему рекомендуем очищать жидкость перед входом в насос.
3. Давление в линии никогда не должно превышать номинальное давление заявленное производителем. По этой причине часто сгорают двигатели шестеренных насосов. По возможности лучше выбрать насос с запасом по давлению.
4. При нагреве перекачиваемое масло становится менее вязким. Если его вязкость падает ниже 35 сСт (то есть оно становится текучим как вода), то шестеренный насос не сможет перекачать такое масло с необходимым давлением. В этом случае лучше использовать центробежный высокотемпературный насос.
Условия эксплуатации
Насосы рекомендованы для промышленного применения в системах перекачки и нагнетания горячего масла.
- Температура перекачиваемой среды до +260 °С.
- Температура окружающей среды до 35 °С.
- Высота подъема среды до 5 метров. Насос может работать только под заливом: в рабочей камере всегда должна присутствовать жидкость.
- В спецификации к насосам указано номинальное потребление тока. В реальности оно может отличаться и превышать номинальное в 1,5 раза. Это нужно учитывать при подборе автомата защиты.
Материалы конструкции
- Корпус насоса – чугун
- Шестерни и вал – легированная сталь 20CrMoTi с повышенной стойкостью к коррозии и истиранию.
- Шестерни и вал дополнительно проходят термообработку солями азота (азотирование) для повышения прочности, твердости и коррозионной стойкости.
- Уплотнение – набивные кольца с графитовой пропиткой и дополнительным кольцом из фторкаучука для работы с горячими жидкостями.
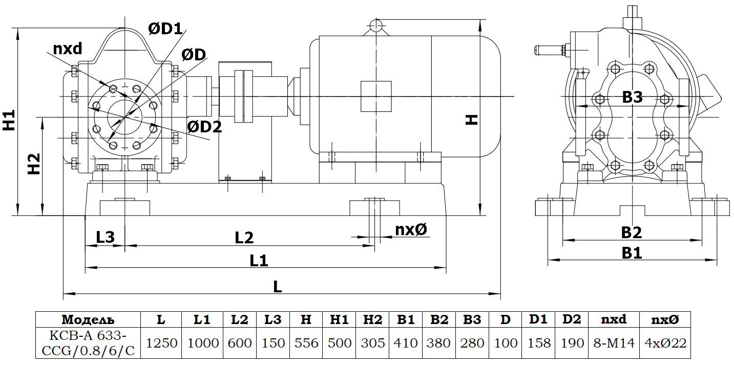
Габаритный чертеж насоса KCB-A 633-CCG/0.8/6/C




































_1.jpg)
































































































































































































































































Гарантия 18 мес.
Отличная надежность


