Видео
Выставляем соосность
Как выставить соосность без специального оборудования
Видеоразбор ZY KCB
Описание модели KCB 1200-CCG/0.6/8/C
Максимальная допустимая вязкость перекачиваемой жидкости составляет 1500 сстокс.
Опыт использования высокотемпературных шестеренных насосов. Что важно знать?
Мы собрали клиентский опыт использования насосов KCB CCG с графитовым уплотнением, чтобы вы могли выбрать его более осознанно:
1. Насосы KCB CCG допускают температуру жидкости до +260 °С при кратковременном режиме работы и до +200 °С в длительном режиме. Если если рабочая температура масла превышает +200 °С в течение длительного времени, то уплотнения насосов начнут подтекать. В этих случаях лучше использовать центробежные высокотемпературные насосы (серия LQRY или RY).
2. Шестеренные насосы крайне не любят перекачивать загрязненные жидкости с твердыми частицами. Если в масле (мазуте, отработке) много твердых частиц, то шестерни быстро износятся. Насос станет шуметь и перестанет обеспечивать необходимое давление. С августа 2020 года мы используем улучшенную сталь для вала и шестерен, однако по прежнему рекомендуем очищать жидкость перед входом в насос.
3. Давление в линии никогда не должно превышать номинальное давление заявленное производителем. По этой причине часто сгорают двигатели шестеренных насосов. По возможности лучше выбрать насос с запасом по давлению.
4. При нагреве перекачиваемое масло становится менее вязким. Если его вязкость падает ниже 5 сСт (то есть оно становится текучим как вода), то шестеренный насос не сможет перекачать такое масло с необходимым давлением. В этом случае лучше использовать центробежный высокотемпературный насос.
Условия эксплуатации
- Температура перекачиваемой среды до +260 °С.
- Температура окружающей среды до +35 °С
- Высота подъема среды до 5 метров. Насос может работать только под заливом: в рабочей камере всегда должна присутствовать жидкость.
- В спецификации к насосам указано номинальное потребление тока. В реальности оно может отличаться и превышать номинальное в 1,5 раза. Это нужно учитывать при подборе автомата защиты.
Материалы конструкции
Корпус насоса - чугун
Термозакаленные шестерни - легированная сталь 20CrMoTi с повышенной стойкостью к коррозии и истиранию.
Вал - для моделей от 18 до 83 легированная сталь 20CrMoTi, для моделей от 135 и выше - легированная сталь 40Cr.
Уплотнение - набивные кольца с графитовой пропиткой и дополнительное кольцо из фторкаучука для работы с горячими жидкостями.
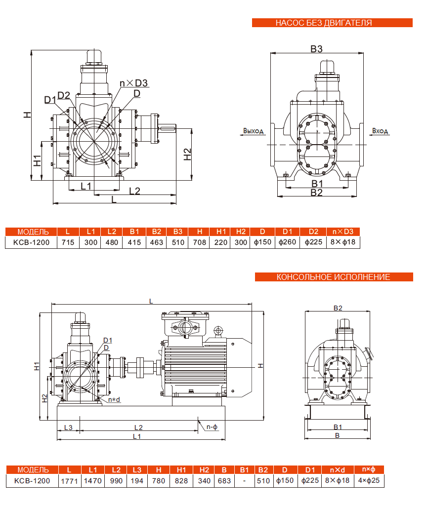
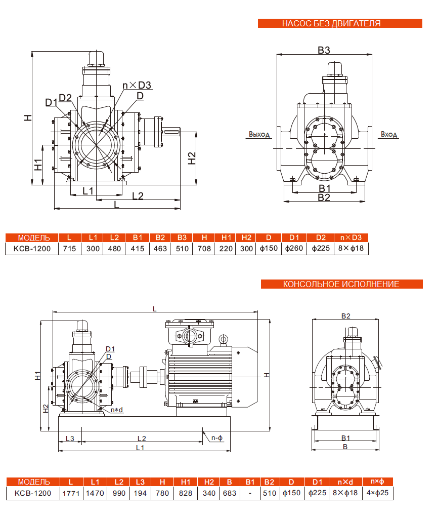
Габаритный чертеж насоса KCB 1200-CCG/0.6/8/C




































_1.jpg)





























































































































































































































































Гарантия 12 мес.