Видео
ZY Technology LQRY – для тех, кому нужно погорячее
Краткое руководство: КАК заменить торцевое LQRY

Как подключить промышленный асинхронный двигатель
Как правильно заливать масло в радиатор высокотемпературного насоса
Как выставить соосность без специального оборудования
Какое масло заливать в высокотемпературный насос?
Описание модели LQRY 125-100-270/2-C
Центробежный насос LQRY 125-100-270/2-C китайской фирмы YonJou (ZY Technology) специально спроектирован для перекачивания горячего масла температурой до +350 °C (кратковременно до +370 °C). Он может перекачивать горячую жидкость без необходимости подвода дополнительного охлаждения благодаря использованию дополнительного набивного графитового уплотнения и камеры отвода тепла для защиты механического уплотнения от перегрева.
Производительность насоса LQRY 125-100-270/2-C составляет:
- 360 м3/час (6000 л/мин) при напоре 60 метров,
- 300 м3/час (5000 л/мин) при напоре 70 метров,
- 150 м3/час (2500 л/мин) при напоре 80 метров.
Насос оснащен трехфазным электродвигателем мощностью 90,0 кВт на 2900 оборотов в минуту.
Конструктивные особенности
- На выходе из рабочей камеры стоит дополнительное уплотнение с пропиткой из графита/PTFE. Оно устойчиво к высокой температуре и позволяет резко уменьшить циркуляцию раскаленного масла в промежуточной камере насоса (в радиаторе), это позволяет защитить манжету от воздействия высокой температуры. А еще это позволяет добиться минимальных утечек масла.
- В задней части радиатора расположена манжета. Промежуточная камера имеет дополнительное оребрение для ускорения отвода тепла.
- Наличие промежуточной камеры охлаждения вынуждает использовать удлиненный вал насоса. В насосе 2 подшипника: один находится ближе к рабочей камере, а другой ближе к двигателю, оба в радиаторе.
Условия эксплуатации
- Температура окружающей среды (желательно) не должна превышать +35 °C. Хотя производитель указывает возможность эксплуатации до температуры в +50 °C.
- Вес трубопроводов не должен приходиться на насос. Если к насосу подключаются длинные и тяжелые трубопроводы, предусмотрите для них необходимые опоры и подвесы.
- Если вы используете на входе в насос давление выше 1 атм., то будьте готовы к тому, что уплотнение будет протекать и возникнет необходимость менять его чаще.
- Максимальная вязкость от 1 до 150 сСт.
- Насос должен устанавливаться на жесткую сплошную поверхность (например, на железобетонную плиту). Установка насоса на металлические фермы не желательна, так как при повышении температуры жесткость металла падает. При установке насоса на металлическое основание или на недостаточно ровную поверхность придется мириться с небольшими утечками масла.
- В спецификации к насосам указано номинальное потребление тока. В реальности оно может отличаться и превышать номинальное в 1,5 раза. Это нужно учитывать при подборе автомата защиты.
Материалы конструкции
Насосы серии LQRY сделаны из следующих материалов:
- Корпус и рабочее колесо сделаны из чугуна.
- Вал насоса из специального высокотемпературного сплава нержавеющей стали, устойчивой к высоким температурам.
- Сальниковая набивка из графита/PTFE.
- Армированная манжета в металлической обойме.
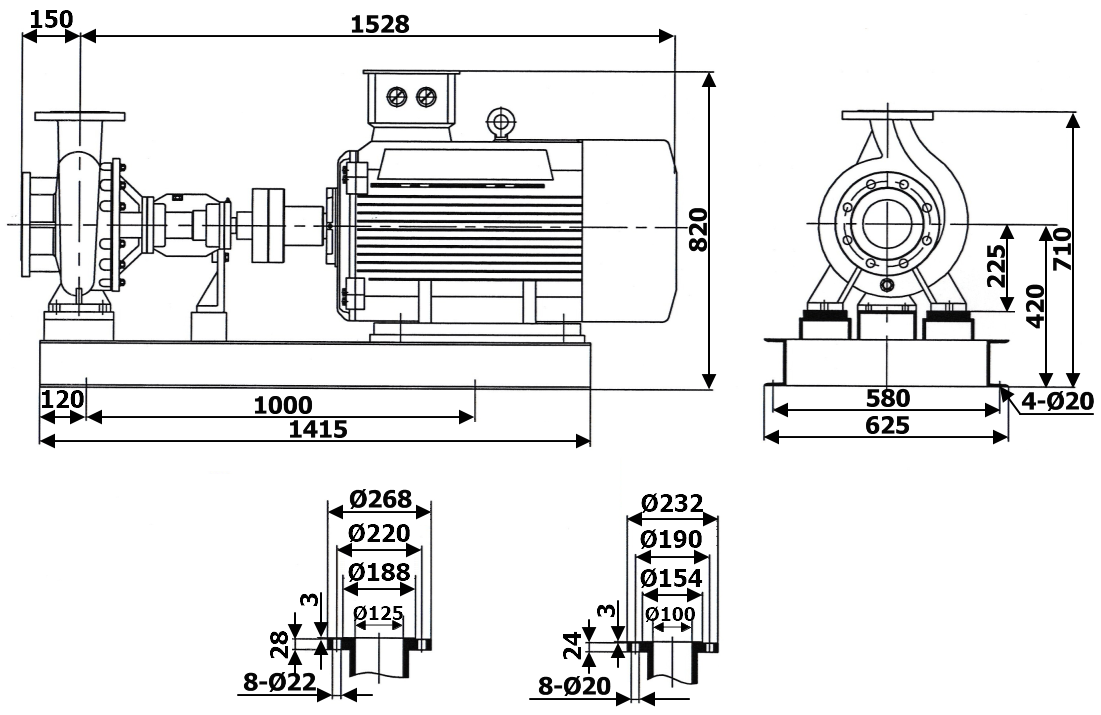
Габаритный чертеж модели LQRY 125-100-270/2-C
Кривые производительности
Владимир В.
Оборудование для дорожных работ
Используют модель: LQRY 65-40-200/2-CОтзыв оставлен: 2025-06-17 15:05:00
Насос установили в обвязку, были вопросы по установке, но специалисты Зенова помогли со всем разобраться. Насос работает умеренно тихо, используем для перегонки теплоносителя в системе. Выглядит насос достойно, нареканий нет.
Иван Григорьевич
Хороший насос для горячего масла
Производство асфальта
Используют модель: LQRY 80-50-180/2-CОтзыв оставлен: 2021-06-02 05:55:26
Пять лет назад начали работать на маслогрейном котле. Изначально там стоял южнокорейский насос, проработал он три года и вышел из строя. Долго разбираться с ним не стали и убрали в сторону. Обратились в компанию Зенова, нам подобрали насос LQRY 80-50-180/2-с. Уже год работаем с новым насосом при температуре 230-250 градусов. Протечек нет, работает хорошо.
Сергей Х.
Хороший насос. Выдает заявленную производительность.
Асфальтовый завод
Используют модель: LQRY 80-50-180/2-CОтзыв оставлен: 2021-06-02 05:40:18
Приобретали насос для испытания модернизированной системы нагрева битума. Хотели повысить объем циркуляции масла в маслогрейном котле. Испытания не увенчались успехом, но насос LQRY 80-50-180/2-с тут ни при чем. Нужно отметить, что насос выдавал заявленные параметры. Дело в том, что нам понадобилось еще большее давление, но центробежный насос не может дать такого давления. Поэтому было принято решение подобрать насос шестеренный с большой производительностью. Шестеренный насос мы также купили в Зенова, теперь все работает отлично.
Игорь Анатольевич
Хорошие насосы!
Производство мебели
Используют модель: LQRY 65-50-180/2-CОтзыв оставлен: 2021-05-04 05:29:35
Приобрели два насоса LQRY 65-50-180/2c в 2019 году. Установили их в состав маслогрейного котла для циркуляции горячего масла в нагревательной плите, где происходит процесс ламинации древесины. Температура масла от 200 до 230 градусов. Давления большого в линий нет, потому что нет подъемов линий выше одного метра. Есть несколько отводов на 180 градусов, но это не создает большого сопротивления насосу. За все время работы (а это почти круглосуточное производство) проблем с насосами не было ни разу. Но есть нюанс, который удивил нас при обслуживании данных насосов. Во время плановой замены подшипников (мы не ждем когда они неожиданно выйдут из строя) это тот факт, что насосы мы купили одинаковые, а подшипники оказались разные.
Денис Геннадьевич
Надежный насос. Держит заявленную производителем температуру.
Поставка бункерного топлива для российских и иностранных судов
Используют модель: LQRY 26-20-100/2-CОтзыв оставлен: 2021-05-04 05:04:39
Мы поставляем бункерное топливо для российских и иностранных судов в портах Приморского края и Хабаровского края.
Купили насос высокотемпературный LQRY 26-20-100/2-с в производственный цех для испытания нагревательной установки. Нагрели масло до температуры 450°. Масло циркулировало по магистрали 4 часа. LQRY 26-20-100/2с не протекал и работал в штатном режиме не смотря на то, что температура была превышена на сто градусов от максимально заявленной заводом изготовителем. В итоге наша установка не прошла тест, а насос как новенький стоит без следов протечек, только краска поменяла цвет от высокой температуры.
Андрей М.
Хорошие насосы, но не без недостатков
Производство теплогенераторов и котлов
Используют модель: LQRY 65-50-170/2-CОтзыв оставлен: 2021-01-29 14:25:00
Мы производим теплогенераторы и котлы. Для их работы нужны высокотемпературные насосы для циркуляции термальных масел.
Среди прочих аналогов выбрали насосы LQRY от Зеновы. В целом, модельный ряд этих насосов неплохой и отвечает на разные нужды по производительности, а также умеренные цены.
Эти насосы гоняют масло в системе теплообмена, температура достигает, в зависимости от нужд процесса, от 150 до 300 градусов.
Они работают как в помещениях, так и на открытом воздухе, в том числе при отрицательных температурах.
За все время работы наших котлов с этими насосами клиенты отмечают в целом высокое качество насосных частей и электродвигателей. Однако уплотнения не идеальные. Бывает, что масло через них подтекает. Есть покупатели котлов, которые на это жалуются, а другие нет. Для пользователей котлов, у кого термальные масла недорогие, небольшие протечки не вызывают проблем.
Вывод: насосы LQRY используем с 2018 года. Они, бывает, подтекают, но невысокая цена и возможность решить проблемы на месте перекрывают этот недостаток. Все равно будет дешевле, чем дорогие аналоги.
В настоящее время никто вопросов не задавал. Вы можете быть первым.




































_1.jpg)






























































































































































































































































Гарантия 12 мес.






