Описание модели LQRYN 80-50-180
Центробежный насос LQRYN 80-50-180 китайской фирмы YonJou (ZY Technology) специально спроектирован для перекачивания горячего масла температурой до +350 °C (кратковременно до +370 °C). Он может перекачивать горячую жидкость без необходимости подвода дополнительного охлаждения благодаря использованию дополнительного набивного графитового уплотнения и камеры отвода тепла для защиты механического уплотнения от перегрева.
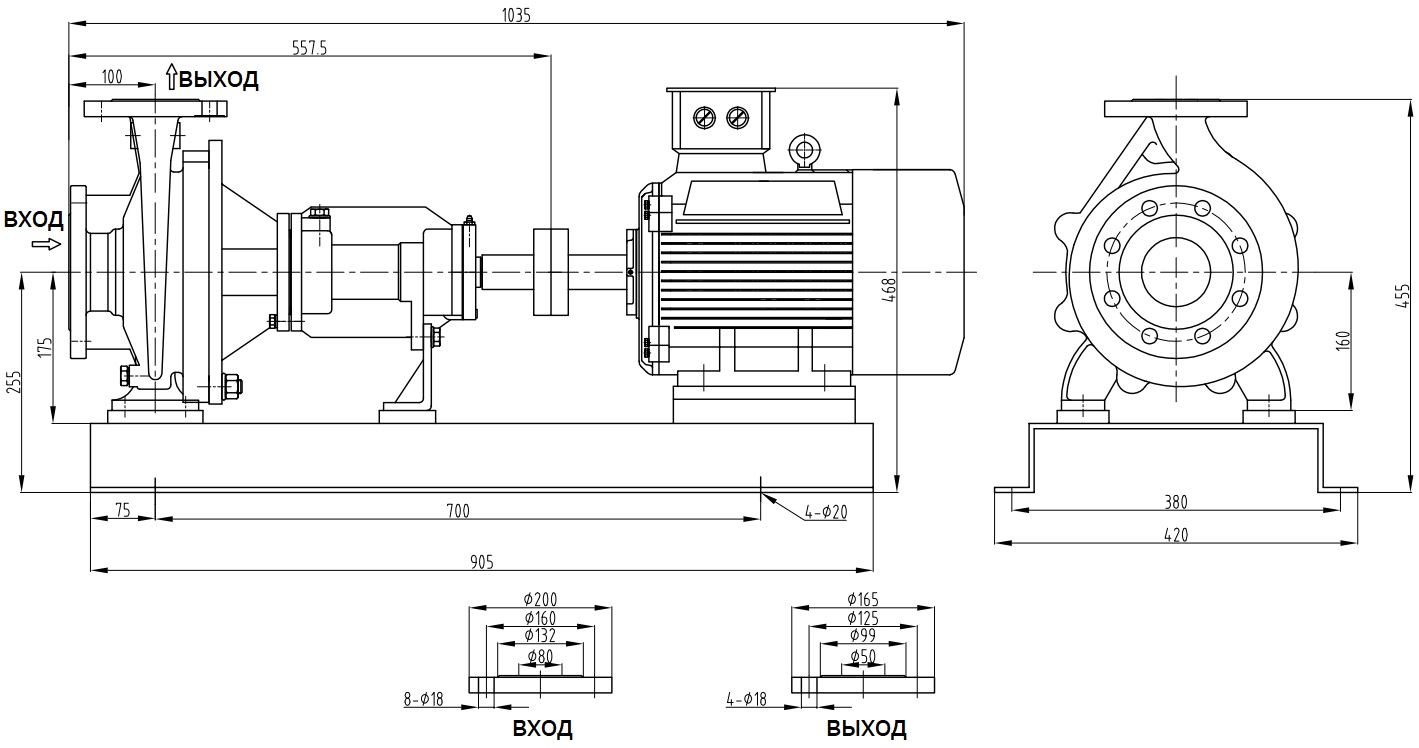
Максимальная производительность 56 м3/час (933,3 л/мин), максимальный напор - 45,5 м.в.ст.
Рабочая точка насоса 50 м3/час при 38 метрах. Входной патрубок 80 мм, выходной патрубок 50 мм.
Насос оснащен трехфазным электродвигателем мощностью 7,5 кВт на 2900 оборотов в минуту.
Конструкция
- На выходе из рабочей камеры стоит дополнительное уплотнение с пропиткой из графита/PTFE. Оно устойчиво к высокой температуре и позволяет резко уменьшить циркуляцию раскаленного масла в промежуточной камере насоса (в радиаторе), это позволяет защитить манжету от воздействия высокой температуры. А еще это позволяет добиться минимальных утечек масла.
- В задней части радиатора расположена манжета. Промежуточная камера имеет дополнительное оребрение для ускорения отвода тепла.
- Наличие промежуточной камеры охлаждения вынуждает использовать удлиненный вал насоса. В насосе 2 подшипника: один находится ближе к рабочей камере, а другой ближе к двигателю, оба в радиаторе.
Условия эксплуатации
- Температура окружающей среды (желательно) не должна превышать +35 °C. Хотя производитель указывает возможность эксплуатации до температуры в +50 °C.
- Температура перекачиваемой жидкости – до 350°С (кратковременно до +370 °C).
- Вес трубопроводов не должен приходиться на насос. Если к насосу подключаются длинные и тяжелые трубопроводы, предусмотрите для них необходимые опоры и подвесы.
- Если вы используете на входе в насос давление выше 1 атм., то будьте готовы к тому, что уплотнение будет протекать и возникнет необходимость менять его чаще.
- Максимальная вязкость от 1 до 150 сСт.
- Насос должен устанавливаться на жесткую сплошную поверхность (например, на железобетонную плиту). Установка насоса на металлические фермы не желательна, так как при повышении температуры жесткость металла падает. При установке насоса на металлическое основание или на недостаточно ровную поверхность придется мириться с небольшими утечками масла.
- В спецификации к насосам указано номинальное потребление тока. В реальности оно может отличаться и превышать номинальное в 1,5 раза. Это нужно учитывать при подборе автомата защиты.
Материалы конструкции
Насосы серии LQRYN сделаны из следующих материалов:
- Корпус и рабочее колесо сделаны из чугуна.
- Вал насоса из специального высокотемпературного сплава нержавеющей стали, устойчивой к высоким температурам.
- Сальниковая набивка из графита/PTFE.
- Армированная манжета в металлической обойме.
Габаритный чертеж модели LQRYN 80-50-180
Кривые производительности
Видео

Насос LQRYN: как правильно разобрать

Насос LQRYN: как правильно собрать и заменить расходники
ZY Technology LQRY – для тех, кому нужно погорячее

Как подключить промышленный асинхронный двигатель




































_1.jpg)






























































































































































































































































Гарантия 12 мес.


