Насос без двигателя KCB-A 483 CCM (голова) – описаниеВес головы - 46,4 кг (проверено нами).
Внутри установлены подшипники NSK.
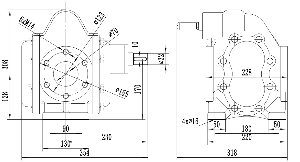
Чертеж головы насоса:
Вес головы - 46,4 кг (проверено нами).
Внутри установлены подшипники NSK.
Чертеж головы насоса:
Совместимые модели оборудования
Шестеренные насосы Vetlan KCB-A CCM
У нас пока нет отзывов по этому аксессуару.
В настоящее время никто вопросов не задавал. Вы можете быть первым.




































_1.jpg)





























































































































































































































































