Описание модели KCB-A 483.3-CCM/1/4/C
Шестеренный насос KCB-A 483.3-CCM/1/4/C консольного типа служит для перекачивания горячих масел с температурой до +200 °С и неагрессивных маслянистых жидкостей без тяжелых примесей, твердых частиц и волокон.
Корпус и шестерни насоса выполнены из ковкого чугуна (Cast Iron).
Уплотнение - механическое, на деле оно обеспечивает надежную герметичность, выдерживает температуру жидкости до +200 °С.
По умолчанию насос оснащен предохранительным байпасным клапаном.
Внутри установлены подшипники NSK.
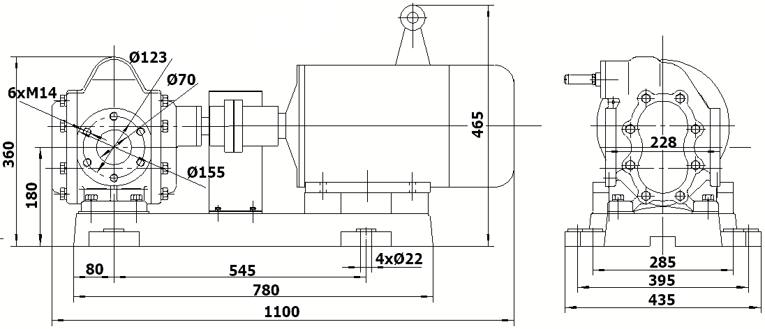
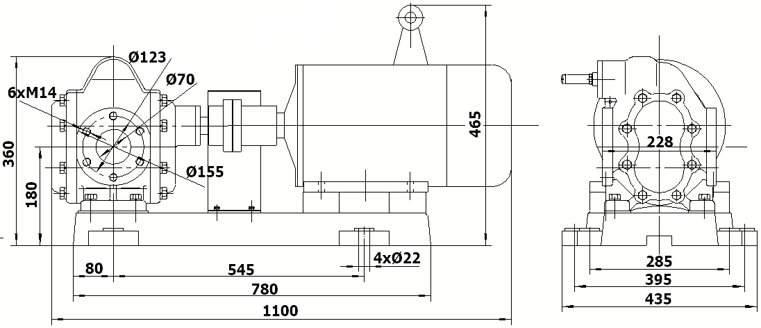
Производительность насоса 33 кубометра в час (550 литров в минуту), напорное давление 10 бар (100 метров). КПД 42 %.
Диаметр патрубков 3 " (80 мм), фланец из ряда PN 10 по стандарту GB/T 9119.
Максимальная допустимая вязкость перекачиваемой жидкости составляет 10 000 сстокс.
Приводом насоса служит четырехполюсный двигатель 1450 об/мин, класс энергоэффективности IE3, мощностью 11 кВт.
Насос и двигатель расположены на единой раме и соединены полумуфтой.
Направления перекачки
Если смотреть на насос со стороны «головы», всасывающий патрубок находится справа, а напорный – слева; со стороны двигателя – наоборот. Направление работы каждого насоса уточняйте по стрелке на головке: насосы с головками одинакового размера вращаются и качают в одну и ту же сторону.
Конструкция шестеренных насосов KCB-A CCM
Насосы KCB-A имеют консольную структуру, где насос и электродвигатель имеют самостоятельные крепления и соединены полумуфтой на единой раме, соответственно, насос или электродвигатель можно заменить без демонтажа всей конструкции.
Насосная часть состоит из пары шестерен, эксцентрикового вала, чугунного корпуса, механического уплотнения и предохранительного клапана.
- Механическое (торцевое) уплотнение, наиболее беспроблемно в эксплуатации, выдерживает температуру жидкости до +200 °С
- Все насосы (кроме моделей с рубашкой обогрева) по умолчанию оснащены предохранительным байпасным клапаном, который открывается при избыточном давлении на напорной линии и возвращает жидкость обратно во всасывающую линию (или в резервуар) для уменьшения давления в напорной линии. Клапан рассчитан лишь на кратковременное включение, не на постоянную работу. Если давление в напорной линии длительное время превышает максимальное давление насоса, то для стравливания избыточного давления следует использовать отдельный от насоса байпасный клапан, рассчитанный на длительную работу
- Небольшие модели насосов с 18-й до 83-й имеют внутри втулки скольжения. Модели 135-960 содержат по 4 подшипника. Начиная с модельного ряда KCB-A CCM 2024 г. выпуска, модель подшипников улучшена до высокотемпературных NSK
- У всех моделей естественное воздушное охлаждение.
- Фланец из ряда PN 10 по стандарту GB/T 9119.
Условия эксплуатации
Насосы рекомендованы для промышленного применения в системах перекачивания и нагнетания термальных, моторных, гидравлических масел, дизтоплива, сырой нефти и так далее
- Перекачиваемые масла и прочие жидкости должны быть чистыми
- Температура перекачиваемой жидкости до +200 °С
- Температура окружающей среды не должна превышать + 35 °С
- Насос может поднимать жидкость с высоты до 5 метров. Однако самовсос на сухую запрещен – необходимо предварительное заполнение всасывающей линии
- В спецификации к насосам указано номинальное потребление тока. В реальности оно может отличаться и превышать номинальное в 1,5 раза. Это нужно учитывать при подборе автомата защиты
Материалы конструкции
- Корпус насоса – чугун (кроме моделей с рубашкой обогрева: у них корпус выполнен из углеродистой стали C235)
- Шестерни и вал – легированная сталь 20CrTiMo с добавлением хрома, титана и молибдена
Шестерни и вал дополнительно проходят термообработку солями азота (азотирование) для повышения прочности, твердости и коррозионной стойкости - Механическое уплотнение из карбида кремния, нержавеющей стали и фторкаучука
- Высокотемпературный подшипник
Габаритный чертеж насоса KCB-A 483.3-CCM/1/4/C
Области применения
- Перекачивание различных вязких сред
- Перекачивание разнообразных вязких химикатов, клеев, смол, расплавов полимеров, вязких смазок и так далее
- Используются для перекачки продуктов переработки сосны (живицы, канифоли и скипидара), синтетических суспензий, толуола, различных красок, силикатного клея и меловой пасты
- Добыча нефти и производство нефтепродуктов
- Лакокрасочное производство
Кривые производительности
Видео
Разбор и первые впечатления от KCB-A CCM
Как подключить шестеренный насос KCB-A
Как выставить соосность без специального оборудования
Как настроить байпасный клапан на шестеренном насосе
Анимация работы насосов для горячих масел и битумов
Принцип действия байпасного клапана
Быстрая замена торцевого уплотнения на шестерённом насосе KCB
Какой насос выбрать? Шестеренный или мембранный!?
Байпасный клапан
Асинхронный двигатель
Видеоразбор ZY KCB




































_1.jpg)
































































































































































































































































Гарантия 18 мес.


