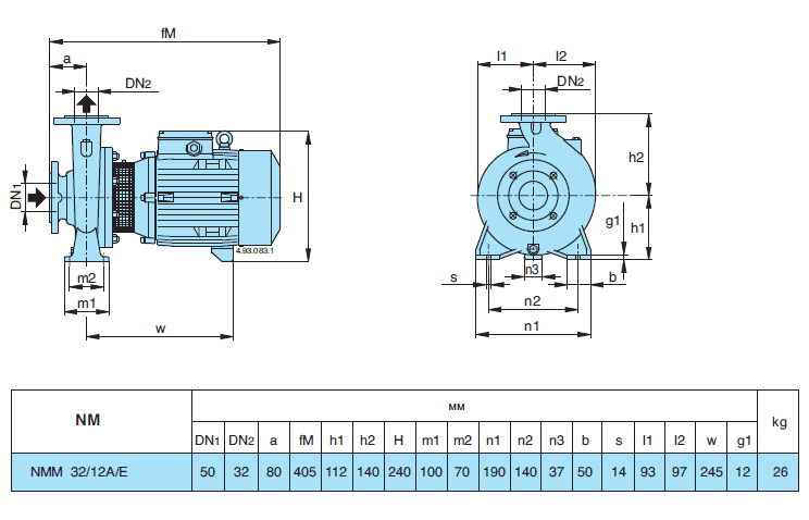
Описание модели NMM 32/12AE
Итальянский центробежный насос Calpeda NMM 32/12AE позволяет перекачивать воду и прочие неагрессивные к чугуну жидкости. Конструкция насоса моноблочного типа с прямым присоединением двигатель-насос, патрубки фланцевые – всасывающий DN50, подающий DN32. Насос производится исключительно на заводе Calpeda в Италии.
Производительность насоса колеблется от 6,6 до 15,0 м3/час (от 110 до 250 л/мин), а напор соответственно от 19 до 23 м вод. ст. При этом оптимальная рабочая точка производительности 12 м3/ч (200 л/мин) при напоре 21 м вод. ст. КПД насоса в указанной точке 72 %.
Насос оснащен однофазным асинхронным двигателем 220 В, 2900 об/мин, мощностью 1,1 кВт.
Условия эксплуатации
- Температура перекачиваемой воды (или иной среды) от -10 °C до +90 °C.
- Объем твердых частиц в жидкости не более 0,2%, размер не более 0,1 мм.
- Температура снаружи насоса до +40 °C.
- Высота подъема жидкости (всасывания) до 7 метров (зависит от модели насоса и рабочей точки).
- Давление внутри насоса, max: 10 атмосфер.
- Допускается круглосуточная эксплуатация.
Другие исполнения по запросу
Фланцевые насосы серии Calpeda NM также могут быть изготовлены под заказ с особыми характеристиками:
- Для перекачивания светлых нефтепродуктов и масел (ставятся другие уплотнения);
- Для жидкостей с твердыми частицами (ставятся другие уплотнения);
- Для перекачивания жидкостей с повышенной (до +200 °C) или пониженной (до -60 °C) температурой.
- Для перекачивания морской воды (в бронзовом корпусе) - такое исполнение маркируется как B-NM.
- Для других напряжений электрической сети.
- Со взрывозащищенным двигателем (сертификат ATEX).
- С двигателями класса защиты IP 55.
Габаритный чертеж насоса Calpeda NMM 32/12AE
Кривые производительности
У нас пока нет отзывов по этой модели.
В настоящее время никто вопросов не задавал. Вы можете быть первым.




































_1.jpg)




























































































































































































































































Гарантия 36 мес.