Описание модели P BP0158--00000
Плунжерный насос дозатор Etatron P BP0158--00000 применяется для дозирования невязких и неабразивных реагентов с максимальной производительностью 158 л/час и противодавлением 9 бар.
Корпус дозатора отлит из алюминия и покрыт защитной краской. Проточная часть и плунжер (поршень) изготавливаются в двух версиях: АА - с головкой и поршнем из нержавеющей стали AISI 316L и ВА – головка из поливинилхлорида (ПВХ), поршень керамический.
Регулирование производительности осуществляется, в том числе во время работы насоса, микрометрической ручкой, изменяющей длину хода поршня. Пружинный механизм коробки передач обеспечивает возврат плунжера в исходное положение. Диаметр поршня 48 мм, длина хода 14,5 мм, 103 такта/минуту.
Насос оснащен трехфазным вертикально закрепленным электродвигателем 0,25 кВт. Степень изоляции F.
Комплект поставки
Дозирующий насос поставляется с заглушенными входом (клапан забора) и выходом (клапан сброса) в индивидуальной картонной коробке, для любых видов перевозки. В каждой коробке находится инструкция-паспорт по установке и обслуживанию.
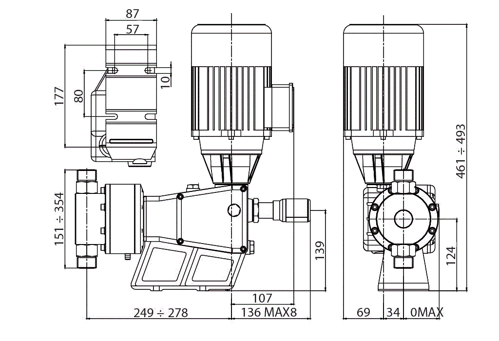
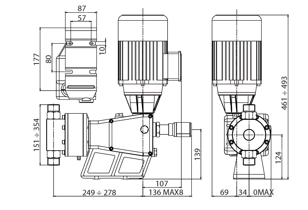
Габаритный чертеж насоса Etatron P BP0158--00000
У нас пока нет отзывов по этой модели.
В настоящее время никто вопросов не задавал. Вы можете быть первым.




































_1.jpg)




























































































































































































































































Гарантия 24 мес.