Видео
Обзор

Дренажный И ПО-НАСТОЯЩЕМУ высокотемпературный насос ZENOVA WQH
Разборка насоса

Как разобрать дренажный высокотемпературный насос ZENOVA WQH
Сборка насоса

Как собрать дренажный высокотемпературный насос ZENOVA WQH
WQH в горячей воде
Как погружной насос WQH выдерживает горячую воду?
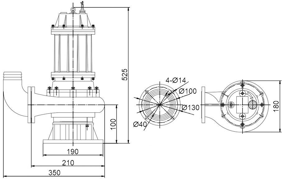
Описание модели 40WQH-7-18-1.1
Дренажный погружной насос ZY Drain 40WQH-7-18-1.1 (Китай) может перекачивать горячую воду температурой до +100 °C. Модель выпускалась до июля 2023 года. Уникальные способности насоса долго работать в настолько горячей воде обусловлены специально разработанной конструкцией.
На насосе 40WQH-7-18-1.1 установлено высоконапорное рабочее колесо, благодаря чему он может поднять воду на высоту до 20,5 метров.
Насос обеспечивает следующую производительность:
- 15 м3/час при напоре 13 метров;
- 7 м3/час при напоре 18 метров;
- 1 м3/час при напоре 20,5 метров.
Электродвигатель:
На насосе 40WQH-7-18-1.1 установлен трехфазный электродвигатель мощностью 1,1 кВт на 2900 об/мин, специально адаптированный работать при высокой температуре. Длина электрического кабеля насоса составляет 8 метров, внешний диаметр (с изоляцией) 8,7 мм. Требуемое подключение — звезда.
Материалы конструкции
- Корпус насоса и рабочее колесо изготовлены из чугуна
- Вал из нержавеющей стали AISI304
- Механическое уплотнение с парой трения карбид вольфрама и карбид кремния. Обратите внимание: в моделях WQH с двигателем мощностью 7,5 кВт используется 2 уплотнения
- Кольцевые уплотнения из фторкаучука
Области применения
Благодаря своим способностям насосы WQH могут использоваться в следующих задачах:
- Откачивание горячего конденсата в системах кондиционирования и отопления
- Откачивание горячей воды из подвалов и прочих помещений при прорывах труб
- Откачивание горячей воды на электростанциях и на металлургических заводах
- В прочих задачах, где требуется перекачать горячую воду или иную жидкость
Комплект поставки
- Насос
- Высокотемпературный кабель длиной 8 метров (выдерживает температуру до 100 °C), изначально заведен в корпус насоса
- Руководство по эксплуатации
Габаритный чертеж модели 40WQH-7-18-1.1
Кривые производительности
3D-фото
У нас пока нет отзывов по этой модели.
В настоящее время никто вопросов не задавал. Вы можете быть первым.




































_1.jpg)






























































































































































































































































Гарантия 18 мес.

