Видео
Обзор

Дренажный И ПО-НАСТОЯЩЕМУ высокотемпературный насос ZENOVA WQH
Разборка насоса

Как разобрать дренажный высокотемпературный насос ZENOVA WQH
Сборка насоса

Как собрать дренажный высокотемпературный насос ZENOVA WQH
WQH в горячей воде
Как погружной насос WQH выдерживает горячую воду?
Описание модели 50WQH-15-30-4
Дренажный погружной насос ZY Drain 50WQH-15-30-4 (Китай) может перекачивать горячую воду температурой до +100 °C. Модель выпускалась до июля 2023 года. Уникальные способности насоса долго работать в настолько горячей воде обусловлены специально разработанной конструкцией.
На насосе 50WQH-15-30-4 установлено высоконапорное рабочее колесо, благодаря чему он может поднять воду на высоту до 33 метров.
Насос обеспечивает следующую производительность:
- 30 м3/час при напоре 17 метров;
- 15 м3/час при напоре 30 метров;
- 3 м3/час при напоре 33 метра.
Электродвигатель:
На насосе 50WQH-15-30-4 установлен трехфазный электродвигатель мощностью 4 кВт на 2900 об/мин, специально адаптированный работать при высокой температуре. Длина электрического кабеля насоса составляет 8 метров. Требуемое подключение — треугольник.
Материалы конструкции
- Корпус насоса и рабочее колесо изготовлены из чугуна
- Вал из нержавеющей стали AISI304
- Механическое уплотнение с парой трения карбид вольфрама и карбид кремния. Обратите внимание: в моделях WQH с двигателем мощностью 7,5 кВт используется 2 уплотнения
- Кольцевые уплотнения из фторкаучука
Области применения
Благодаря своим способностям насосы WQH могут использоваться в следующих задачах:
- Откачивание горячего конденсата в системах кондиционирования и отопления
- Откачивание горячей воды из подвалов и прочих помещений при прорывах труб
- Откачивание горячей воды на электростанциях и на металлургических заводах
- В прочих задачах, где требуется перекачать горячую воду или иную жидкость
Комплект поставки
- Насос
- Высокотемпературный кабель длиной 8 метров (выдерживает температуру до 100 °C), изначально заведен в корпус насоса
- Руководство по эксплуатации
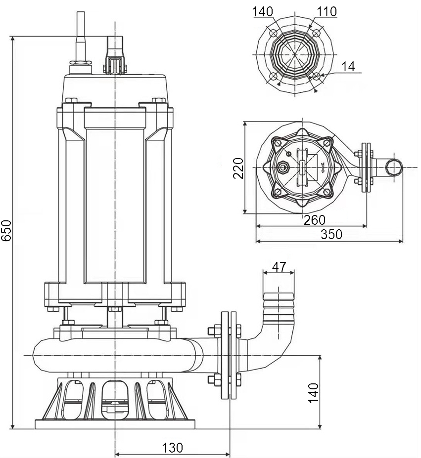
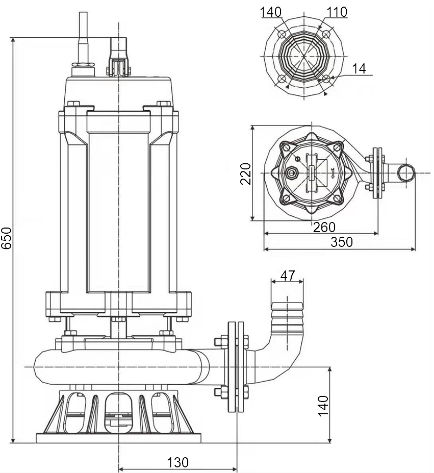
Габаритный чертеж модели 50WQH-15-30-4
Кривые производительности
3D-фото
У нас пока нет отзывов по этой модели.
В настоящее время никто вопросов не задавал. Вы можете быть первым.




































_1.jpg)






























































































































































































































































Гарантия 18 мес.

