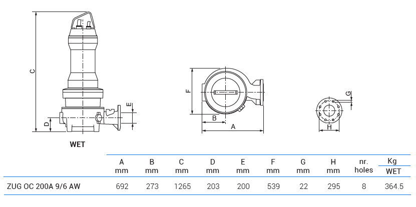
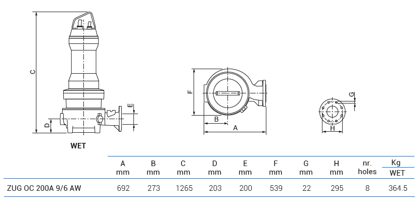
Описание модели ZUG OC 200A 9/6 AW
Канализационный погружной насос Zenit ZUG OC 200A 9/6 AW из чугуна с открытым канальным рабочим колесом применяется в промышленной и очистной сфере. Он предназначен для перекачивания канализационных стоков, первичного подъема, рециркуляции и конечной перекачки технологических, сточных жидкостей. Большой проточный канал рабочего колеса пропускает среды с твердыми взвешенными телами диаметром 100 мм. Напорный патрубок насоса фланцевый DN200, расположен горизонтально.
Производительность насоса до 560 м3/ч (9 333 л/мин), напор до 14 м. вод. ст. Рабочая точка производительности 340 м3/ч при напоре 8 м. КПД насоса в указанной точке 75 %.
Насос оснащен трехфазным двигателем 380 кВт/50 Гц, 6P/960 об/мин. Мощность двигателя 9 кВт. Класс эффективности IE3, эксплуатация в режиме S1. Частота пусков 20 в час. Изоляция класса H. Тепловая защита состоит из биметаллических тепловых датчиков, встроенных в статор.
Габаритный чертеж насоса Zenit ZUG OC 200A 9/6 AW




































_1.jpg)




























































































































































































































































