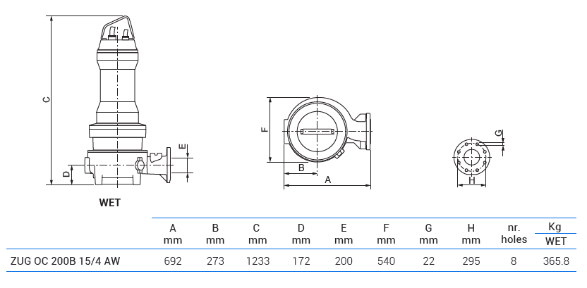
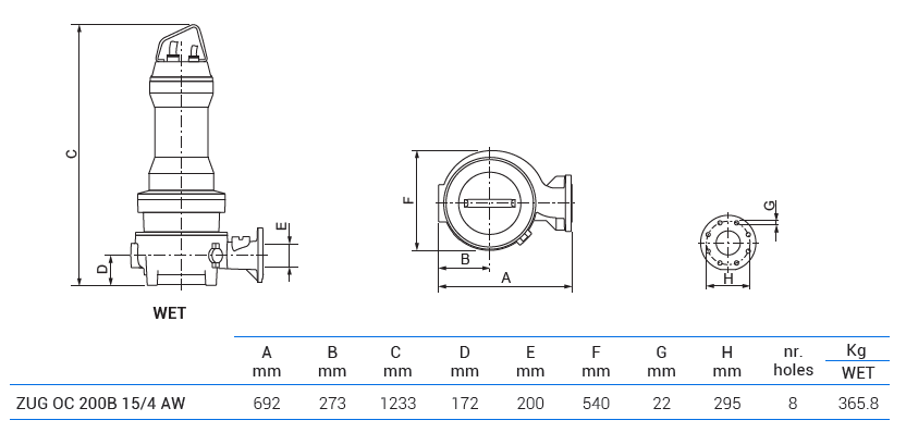
Описание модели ZUG OC 200B 15/4 AW
Канализационный погружной насос Zenit ZUG OC 200B 15/4 AW из чугуна с открытым канальным рабочим колесом применяется в промышленной и очистной сфере. Он предназначен для перекачивания канализационных стоков, первичного подъема, рециркуляции и конечной перекачки технологических, сточных жидкостей. Большой проточный канал рабочего колеса пропускает среды с твердыми взвешенными телами диаметром 80 мм. Напорный патрубок насоса фланцевый DN200, расположен горизонтально.
Производительность насоса до 684 м3/ч (11 400 л/мин), напор до 19 м. вод. ст. Рабочая точка производительности 420 м3/ч при напоре 10 м. КПД насоса в указанной точке 78,2 %.
Насос оснащен трехфазным двигателем 380 кВт/50 Гц, 4P/1450 об/мин. Мощность двигателя 15 кВт. Класс эффективности IE3, эксплуатация в режиме S1. Частота пусков 15 в час. Изоляция класса H. Тепловая защита состоит из биметаллических тепловых датчиков, встроенных в статор.
Габаритный чертеж насоса Zenit ZUG OC 200B 15/4 AW




































_1.jpg)




























































































































































































































































