Видео
Обзор

Обзор насоса с магнитной муфтой Zenova MDP
Разборка насоса
Разбираем насос с магнитной муфтой Zenova MDP – последствия сухого хода
Анимация: принцип работы
Как работает центробежный насос с магнитной муфтой
Выбираем насос для химии
Как выбрать насос для кислоты и другой химии
Описание модели MDP-401-380
Герметичный насос c магнитной муфтой Zenova MDP-401-380 из полипропилена способен перекачивать химические растворы, жидкости плотностью до 1300 кг/м3, температурой от 0 до +80 °C (при продолжительной работе до +60 °C). Насос имеет простую, компактную конструкцию, магнитная муфта обеспечивает 100% защиту от утечки жидкости.
Максимальная производительность модели 260 л/мин (15,6 м3/ч), максимальный напор 18 м.
Рабочая точка - подача 120 л/мин (7,2 м3/ч) при напоре 12 м.
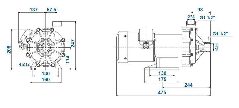
Резьбовые патрубки G 1 1/2".
Двигатель мощностью 0,75 кВт, 3 фазы, 380 В, 50 Гц.
Условия эксплуатации
- Плотность перекачиваемой жидкости до 1,1-1,2-1,3 кг/дм3.
- Допустимый диапазон температуры окружающей среды составляет от 0 до +40 °C.
- Допустимый диапазон температуры жидкости составляет от 0 до +80 °C (при непрерывном режиме работы лучше ограничить температуру до +60 °C).
- Горизонтальная установка.
- Не допускается работа насоса в режиме сухого хода (без жидкости).
- У моделей 120, 400 и 401 нельзя поворачивать голову насоса, она прикручивается только штуцером вверх.
Основные материалы
Корпус (casing) - Полипропилен
Рабочее колесо (impeller) - Полипропилен (PP)
Вал (shaft) и шайба - Алюмоксидная керамика (95 ceramic)
Втулки (bearing) - Графит
Уплотнения (o-ring) - Витон (FKM)
Магниты (magnet) - Ферритовый сплав
Болты - Нержавеющая сталь.
Области применения
- Химическое производство;
- Резка и обработка металлов;
- Водоподготовка;
- Энергетика;
- Машиностроение;
- Нефтяная отрасль;
- Газодобывающая промышленность.
Габаритный чертеж насоса Zenova MDP-401-380




































_1.jpg)

































































































































































































































































Гарантия 18 мес.



