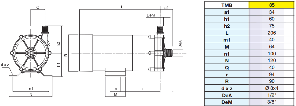
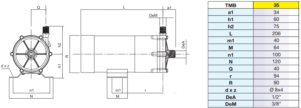
Описание модели TMB 35
Химический насос Argal TMB 35 относится к малой серии насосов с магнитной муфтой, рассчитанной на небольшую производительность. Корпус насоса выполнен из полипропилена, армированного стекловолокном или из фторопласта (фторопластовый корпус может иметь только эта модель серии TMB). Насос TMB 35 оснащен высоконапорным рабочим колесом и обеспечивает производительность от 0,1 до 0,9 м3/час (от 1,6 до 15 л/мин) и напор до 8 метров.
Насос TMB 35 может иметь только резьбовое присоединение. Двигатель насоса только однофазный (220 вольт).
Внутреннее устройство насоса Argal TMB 35

На изображении цифрами показаны: 1) - корпус насоса, внутри которого находятся подшипники из армированного тефлона PTFE 2) - задняя крышка корпуса 3) - уплотнительное кольцо, которое герметизирует стык корпуса насоса и его задней крышки 4) - высоконапорное рабочее колесо со встроенным ведомым магнитом 5) - направляющие втулки 6) - болты корпуса 7) - внешний или ведущий магнит 8) - электродвигатель
Условия эксплуатации
- Перекачиваемая жидкость должна иметь температуру в диапазоне от 0 до +60 °C.
- Вязкость жидкости должна быть до 20 сстокс.
- Плотность жидкости не должна превышать 1,1 кг/дм3.
- Температура окружающей среды при работе насосов от 0 до +45 °C.
- Насосы не допускают сухого хода.
- Наличие твердых частиц по указанию производителя может уменьшить срок службы насосов. Ускоренный выход насоса из строя зависит от количества, диаметра частиц и степени их абразивости. Более точные данные не приводятся.
Используемые материалы
Корпуса насосов и рабочие колеса насосов Argal TMB из GFR-PP (полипропилен, армированный стекловолокном). Одна модель TMB 35 также может быть из фторопласта PVDF.
Направляющая втулка GFR/PTFE (Тефлон, усиленный стекловолокном).
Вал - алюминиевая керамика с покрытием PTFE (тефлон).
Уплотнительные кольца из FKM (Viton).
Внешние болты на корпусе из нержавеющей стали.;
Габаритный чертеж насоса Argal TMB 35
Кривые производительности
У нас пока нет отзывов по этой модели.
В настоящее время никто вопросов не задавал. Вы можете быть первым.




































_1.jpg)




























































































































































































































































Гарантия 12 мес.