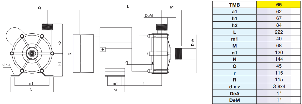
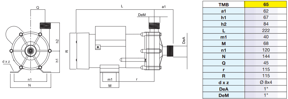
Описание модели TMB 65
Химический насос Argal TMB 65 относится к малой серии насосов с магнитной муфтой, рассчитанной на небольшую производительность. Корпус насоса выполнен из полипропилена, армированного стекловолокном. Насос TMB 65 обеспечивает производительность от 0,5 до 3,7 м3/час (от 8,3 до 61,7 л/мин) и напор до 5,7 метров.
Насос TMB 65 может иметь только резьбовое присоединение. Двигатель насоса только однофазный (220 вольт).
Внутреннее устройство насоса Argal TMB 65

На изображении цифрами показаны: 1) - корпус насоса, внутри которого находятся подшипники из армированного тефлона PTFE 2) - задняя крышка корпуса 3) - уплотнительное кольцо, которое герметизирует стык корпуса насоса и его задней крышки 4) - рабочее колесо со встроенным ведомым магнитом 5) - направляющие втулки 6) - болты корпуса 7) - внешний или ведущий магнит 8) - электродвигатель
Условия эксплуатации
- Перекачиваемая жидкость должна иметь температуру в диапазоне от 0 до +60 °C.
- Вязкость жидкости должна быть до 20 сстокс.
- Плотность жидкости не должна превышать 1,1 кг/дм3.
- Температура окружающей среды при работе насосов от 0 до +45 °C.
- Насосы не допускают сухого хода.
- Наличие твердых частиц по указанию производителя может уменьшить срок службы насосов. Ускоренный выход насоса из строя зависит от количества, диаметра частиц и степени их абразивости. Более точные данные не приводятся.
Используемые материалы
Корпуса насосов и рабочие колеса насосов Argal TMB из GFR-PP (полипропилен, армированный стекловолокном). Одна модель TMB 35 также может быть из фторопласта PVDF.
Направляющая втулка GFR/PTFE (Тефлон, усиленный стекловолокном).
Вал - алюминиевая керамика с покрытием PTFE (тефлон).
Уплотнительные кольца из FKM (Viton).
Внешние болты на корпусе из нержавеющей стали.;
Габаритный чертеж насоса Argal TMB 65
Кривые производительности
У нас пока нет отзывов по этой модели.
В настоящее время никто вопросов не задавал. Вы можете быть первым.




































_1.jpg)




























































































































































































































































Гарантия 12 мес.