Описание модели TMP 06.08
Герметичный насос с магнитной муфтой Argal TMP 06.08 (производится на заводе в итальянском городе Брешия, к 80 километрах к востоку от Милана) предназначен для перекачивания химически активных сред. Корпус насоса может быть выполнен из полипропилена или фторопласта. Конструкция насоса предусматривает умеренную толщину стенок и рассчитана на применение в условиях средних или небольших нагрузок.
Производительность насоса TMP 06.08 составляет от 1 до 11 м3/час (от 17 до 187 л/мин), а напор до 11 метров. При этом рабочая точка по расходу 6 м3/час (100 л/мин) при напоре 8 метров.
Насос рассчитан на перекачивание жидкостей различной плотности. Базовый двигатель 0,37 кВт рассчитан на плотность до 1,05 кг/дм3. Возможно установить двигатель 0,55 кВт для плотности жидкости до 1,35 кг/дм3 или двигатель 0,75 кВт для плотности жидкости до 1,8 кг/дм3. Все двигатели двухполюсные на 2900 оборотов в минуту. По умолчанию все цены приведены для общепромышленных двигателей, но по запросу могут быть установлены и взрывозащищенные двигатели.
По умолчанию цена на сайте указана для насоса в исполнении R - то есть с втулками из карбона (для непродолжительного сухого хода). Исполнение N (втулки из PTFE для концентрированных щелочей) имеет такую же цену. А вот за исполнение X (втулки из карбида кремния) придется доплатить около 150 евро.
За счет чего насосы Argal TMP допускают непродолжительный сухой ход или могут работать с загрязненными жидкостями?
Направляющие втулки этих насосов могут быть изготовлены из различных материалов.
- Исполнение R предполагает втулки из HD Carbon (карбон высокой плотности). С такими втулками насос может работать небольшое время по сухому (производитель указывает время от 15 минут до часа в зависимости от условий работы).
- Исполнение N предполагает втулки из GFR PTFE (армированного стекловолокном тефлона), что обеспечивает наивысшую химическую стойкость.
- Наконец, исполнение X использует втулки из SiC (карбид кремния), который не боится твердых частиц. Благодаря таким втулкам насос лучше переносит твердые включения, но следует помнить, что при большом содержании частиц или при высокой их абразивности из-за риска повредить магнитную муфту лучше использовать насосы с уплотнением.
Внешний вид и внутреннее устройство насосов Argal TMP

Рисунок 2. Насосы TMP предназначены для легких и средних условий эксплуатации. Они имеют стандартный корпус и простое внутреннее устройство. Самый большой базовый электродвигатель для серии TMP 0,55 кВт.

Рисунок 3. Насос Argal TMP в разрезе. 1) - передняя часть корпуса, 2) - рабочее колесо, 3) внутренний магнит (ведомый), 4) - направляющие втулки, 5) - задняя часть корпуса, 6) - уплотнительное кольцо из эластомера, 7) - внешний магнит (ведущий), 8) - крышка корпуса.
Условия эксплуатации насосов Argal TMP
- Температура перекачиваемой жидкости должна быть в пределах:
от -5 до +60 °C для версии из полипропилена;
от -20 до +90 °C для версии из фторопласта.
- Температура окружающей среды от 0 до +40 °C для полипропиленовой версии и от -20 до +40 °C для фторопластовой.
- Плотность перекачиваемой жидкости может быть до 1,05 - 1,35 - 1,8 кг/дм3 в зависимости от мощности двигателя. Базовые двигатели обеспечивают плотность до 1,05 кг/дм3, более мощные до 1,35 и до 1,8 кг/дм3.
- Вязкость жидкости может быть до 20 сстокс.
- Сухой ход насосов допускается в насосах с исполнением R (по умолчанию цены на сайте именно для этого исполнения).
- Наличие небольшого числа твердых частиц допускается в насосах с исполнением X.
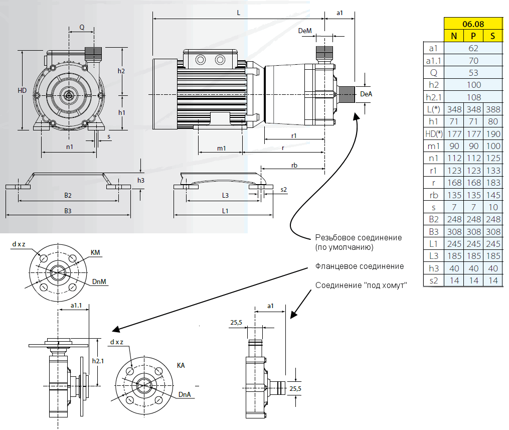
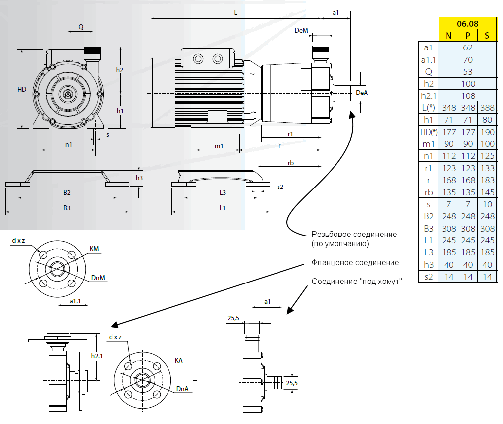
Габаритный чертеж насоса Argal TMP 06.08
Кривые производительности
У нас пока нет отзывов по этой модели.
В настоящее время никто вопросов не задавал. Вы можете быть первым.




































_1.jpg)




























































































































































































































































Гарантия 12 мес.