Описание модели TMR 02.30
Герметичный насос с магнитной муфтой Argal TMR 02.30 (производится на заводе в итальянском городе Брешия, к 80 километрах к востоку от Милана) предназначен для перекачивания химически активных сред. Корпус насоса может быть выполнен из полипропилена или фторопласта. Насос имеет мощный корпус с толстыми стенками и рассчитан на применение в самых тяжелых условиях.
Производительность насоса TMR 02.30 составляет от 1 до 6 м3/час (от до л/мин), а напор до 31 метра. При этом рабочая точка по расходу 4 м3/час (67 л/мин) при напоре 28 метров.
Насос рассчитан на перекачивание жидкостей различной плотности. Базовый двигатель 2,2 кВт рассчитан на плотность до 1,05 кг/дм3. Возможно установить двигатель 3 кВт для плотности жидкости до 1,35 кг/дм3. На бОльшую плотность именно эта модель насоса не рассчитана. Все двигатели двухполюсные на 2900 оборотов в минуту. По умолчанию все цены приведены для общепромышленных двигателей, но по запросу могут быть установлены и взрывозащищенные двигатели.
По умолчанию цена на сайте указана для насоса в исполнении R - то есть с втулками из карбона (для непродолжительного сухого хода). Исполнение N (втулки из PTFE для концентрированных щелочей) имеет такую же цену. А вот за исполнение X (втулки из карбида кремния) придется доплатить около 150 евро.
За счет чего насосы Argal TMR допускают сухой ход или могут работать с загрязненными жидкостями?
Направляющие втулки этих насосов могут быть изготовлены из различных материалов.
- Исполнение R предполагает втулки из HD Carbon (карбон высокой плотности). С такими втулками насос может работать небольшое время по сухому (производитель указывает время от 15 минут до часа в зависимости от условий работы).
- Исполнение N предполагает втулки из GFR PTFE (армированного стекловолокном тефлона), что обеспечивает наивысшую химическую стойкость.
- Наконец, исполнение X использует втулки из SiC (карбид кремния), который не боится твердых частиц. Благодаря таким втулкам насос лучше переносит твердые включения, но следует помнить, что при большом содержании частиц или при высокой их абразивности из-за риска повредить магнитную муфту лучше использовать насосы с уплотнением.
Насосы серии TMR в исполнении R (с втулками из карбона) также оснащены саморегулирующейся запатентованной системой осевого смещения рабочего колеса. Эта уникальная система переводит рабочее колесо в нейтральное положение при сухом ходе, что существенно снижает осевое трение втулок и предотвращает повреждение насоса в течение более длительного времени. Точное время работы по сухому производитель не определяет, указывает, что оно зависит от условий работы насоса.

Рисунок 1. Положение рабочего колеса насосов TMR (исполнение R) при различных нагрузках. При высоком напоре и низкой производительности колесо принимает положение 1 (слева), при высокой производительности и низком напоре актуально положение 2 (посередине). При работе без жидкости (по сухому) рабочее колесо принимает нейтральное положение №3 (справа). При нейтральном положении колеса существенно снижается осевое трение, что помогает избежать перегрева внутренних деталей.
Внешний вид и внутреннее устройство насосов TMR

Изображение 2. Насосы Argal TMR имеют мощный корпус и могут использоваться в самых сложных приложениях. Мощность насосов начинается от 0,55 кВт и заканчивается на 7,5 кВт (базовые двигатели). Насосы TMR при равной мощности (если сравнивать модели TMP 06.10 и TMR 06.10, обе мощностью 0,55 кВт) практически в 2 раза дороже своих младших братьев TMP.

Изображение 3. Насос Argal TMR в разрезе. 1) - передняя часть корпуса, 2) - рабочее колесо, 3) внутренний магнит (ведомый), 4) - центральный диск, 5) - задняя часть корпуса, 6) - уплотнительное кольцо из эластомера, 7) - внешний магнит (ведущий), 8) - крышка корпуса, 9) - Усиливающая планка.
Анимация системы защиты против сухого хода в насосах Argal TMR (исполнение R)
Анимация сделана на английском языке.
В ролике показана работа насоса TMR при откачивании жидкости из емкости.
В первой части ролика (с 1-й секунды до 0:12) задвижка на напорном патрубке почти закрыта. Производительность насоса мала, рабочее колесо находится у передней стенки рабочей камеры.
Во второй части ролика (с 0:12 до 0:33) задвижка полностью открыта и насос работает в режиме максимальной производительности. Рабочее колесо смещается к задней стенке рабочей камеры.
В третьей части ролика (с 0:33 и до конца) жидкость в емкости заканчивается, насос начинает работать в режиме сухого хода. Рабочее колесо встает в нейтральное положение, что позволяет избежать лишнего трения и защитить внутренние детали насоса от перегрева.
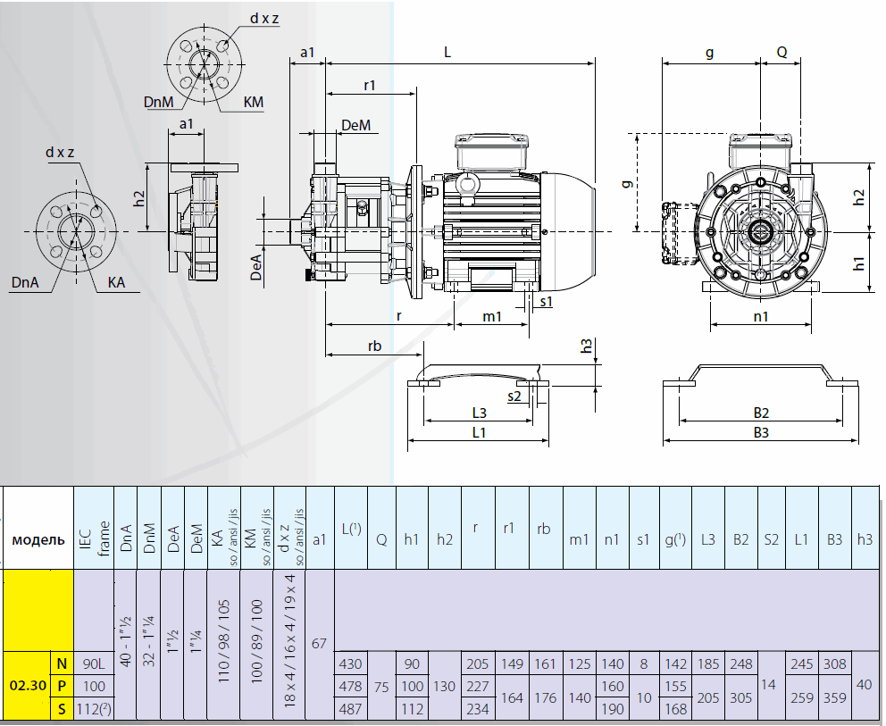
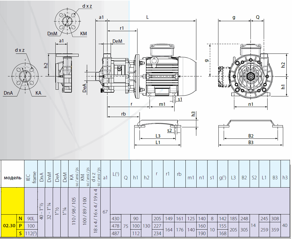
Габаритный чертеж насоса Argal TMR 02.30
Кривые производительности
У нас пока нет отзывов по этой модели.
В настоящее время никто вопросов не задавал. Вы можете быть первым.




































_1.jpg)





























































































































































































































































Гарантия 12 мес.