Описание модели MXHM 804
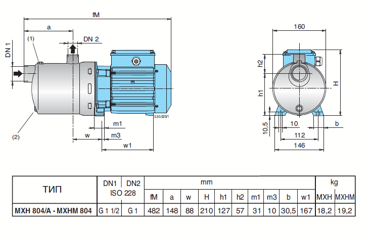
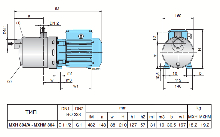
Горизонтальный многоступенчатый насос Calpeda MXHM 804 применяется в бытовом, промышленном, сельскохозяйственном водоснабжении для подачи чистой воды без абразивных примесей. Конструкция насоса моноблочного типа с 4 рабочими ступенями. Насос устойчив к коррозии, основным конструкционным материалом является нержавеющая хромоникелевая сталь AISI 304, из нее изготовлены корпус насоса, корпус каскада, рабочие колеса, крышка корпуса и распорная втулка. Вал насоса выполнен из нержавеющей стали AISI 303. Насос оборудован резьбовыми патрубками. Всасывающий патрубок диаметром G 1 ½" (40 мм), расположен горизонтально, выше вала насоса. Напорный патрубок диаметром G 1" (25 мм), направлен вверх.
Производительность насоса от 5,0 до 13,0 м³/ч (от 83,3 до 216,0 л/мин), а напор от 19,5 до 42,5 м вод. ст. При этом оптимальная рабочая точка производительности насоса 7,0 м³/ч (116,0 л/мин) при давлении 39,5 м вод. ст. КПД в указанной точке составляет около 61 %.
Насос оборудован двухполюсным однофазным двигателем 2900 об/мин, 220 В, номинальной мощностью 1,5 кВт. Двигатель оснащен термозащитным устройством и конденсатором. Кл. изоляции "F". IP 54.
Условия эксплуатации
- Температура перекачиваемой воды (или иной среды) от -15 °С до +110 °С.
- Температура воздуха вокруг насоса не более 40 °С.
- Давление внутри насоса, max: 8 атмосфер.
Материалы конструкции
|
Элемент насоса
|
Используемые материалы
|
|
Корпус насоса
|
Нерж. сталь AISI 304
|
|
Корпус каскада
|
Нерж. сталь AISI 304
|
|
Уплотнительный узел (кольцо) импеллера
|
PTFE
|
|
Импеллер
|
Нерж. сталь AISI 304
|
|
Всасывающая крышка корпуса
|
Нерж. сталь AISI 304
|
|
Защитная втулка
|
Нерж. сталь AISI 304
|
|
Вал импеллера
|
- У моделей 2,4,8,16 вал из стали AISI 303
- У моделей 20, 32, 48 вал из стали AISI 316
|
|
Пробка
|
Нерж. сталь AISI 303
|
|
Механическое уплотнение
|
Алюмоксидная Керамика, Карбон, EPDM
|
Габаритный чертеж насоса Calpeda MXHM 804




































_1.jpg)




























































































































































































































































Гарантия 36 мес.