Описание модели ST-D AD0060AA00100
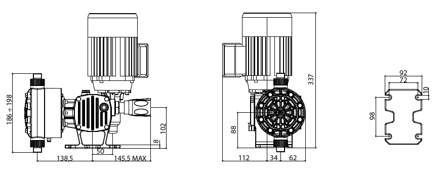
Мембранный дозировочный насос Etatron ST-D AD0060AA00100 с механическим приводом используется для дозирования жидких химических растворов. Дозируемая жидкость может быть абразивной или содержать твердых примеси. Насос способен обеспечить противодавление до 11 бар. Производительность насоса регулируется в ручном режиме при помощи микрометрического винта, который управляет длиной хода поршня в пределах 10% -100%. Регулировку можно проводить как на остановленном, так и на работающем насосе.
Корпус насоса отлит из алюминия и покрыт защитной краской. Основные материалы проточной части насоса – н/ст AISI 316l и тефлон (PTFE). Диапазон рабочей температуры жидкости 4 ÷ 40 °С.
Производительность модели до 60 л/час. Максимальное противодавление 11 бар.
Диаметр мембраны 67 мм. Длина хода поршня 4 мм. Частота хода 120 тактов в минуту.
Присоединительный размер патрубков 1/2 " (внешняя BSPm резьба).
Высота всасывания насоса до 3 метров.
Насос оснащен трехфазным вертикально закрепленным электродвигателем 180 Вт (0,18 кВт), 230-400 В/ 50 Гц. Класс защиты IP55. Степень изоляции F. Направление вращения двигателя по часовой стрелке, обозначено стрелкой на корпусе двигателя.
Конфигурация проточной части насоса
Комплект поставки
Дозирующий насос поставляется с заглушенными входом (клапан забора) и выходом (клапан сброса) в индивидуальной картонной коробке, для любых видов перевозки. В каждой коробке находится инструкция-паспорт по установке и обслуживанию.
Габаритный чертеж насоса Etatron ST-D AD0060AA00100




































_1.jpg)




























































































































































































































































Гарантия 24 мес.