Видео
Duotek vs ADP
Сравнительный тест мембранных пневматических насосов ADP и Duotek
Описание модели ADP-PD20A-BAS-AAA
Мембранный пневматический насос Vetlan Pneumatic ADP-PD20A-BAS-AAA перекачивает в режиме самовсасывания жидкости и вязкие среды разнообразной химической структуры, в том числе с твердыми фракциями до 6,4 мм. Для работы насоса необходима подача сжатого воздуха с давлением до 8,3 бар.
Производительность модели − от 1 до 651 л/мин (от 0,06 до 39 м³/ч).
Напор − до 83 м (это максимально достижимое давление на выходе насоса, фактически зависит от сопротивления системы).
Производительность (расход) изменяется в зависимости от давления подаваемого сжатого воздуха.
Высота самовсасывания при пустой входной линии − до 4 м.
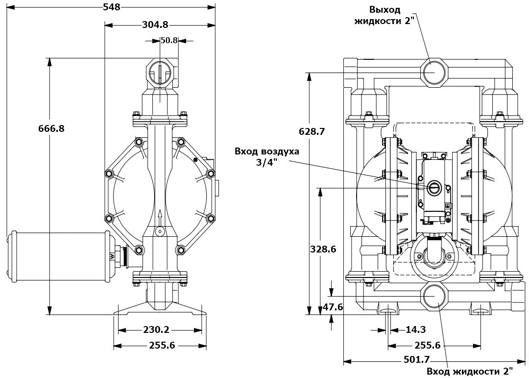
Присоединительный размер всасывающей и нагнетательной линии − 2" с резьбой BSP; присоединение воздушной линии − 3/4" BSP.
Габаритный чертеж модели Vetlan Pneumatic ADP-PD20A-BAS-AAA
График характеристик
Материалы конструкции
- Корпус проточной части – алюминий
- Мембраны, шарики и седла из сантопрена
- Корпус пневмопривода из алюминия
Основные особенности и преимущества Vetlan Pneumatic
- Насосы ADP конструктивно не отличаются от американских насосов ARO
- Модели ADP неприхотливы в работе и стоят недорого. У них один из самых надежных пневмоприводов среди всех мембранных насосов. Они легко запускаются даже при относительно низком давлении (не как японские Yamada, но лучше многих китайских и европейских аналогов)
- У насосов Vetlan Pneumatic высокое качество обработки деталей. Дефекты встречаются редко.
- Насосы справляются с большинством сложных жидкостей: вязких, клейких, загрязненных, агрессивных. Насосы из металла могут перекачивать взрывоопасные жидкости.
- У этих насосов хорошее качество материалов. Например,если заявлена нержавейка AISI 304 в корпусе, то это так и есть. Проверили сами.
Условия эксплуатации
- Перекачиваемая жидкость должна быть совместима с материалами насоса. Например, для перекачивания кислот следует предпочесть насосы из полипропилена, а для растворителей лучше подойдет нержавеющая сталь
- Максимальный размер твердых частиц зависит от модели. Обычно это 2-3 мм для небольших насосов и 9-10 мм для самых больших моделей
- Давление сжатого воздуха на входе в насос не должно превышать 6,9 бар для маленьких моделей и 8,6 бар для больших моделей
- Мембранные насосы не любят работать при температурах ниже 0. Их пневмопривод норовит замерзнуть. Лучше для этого приспособлены модели ADP из металла с мембранами из Сантопрена
- При перекачивании горячих жидкостей (до +107°C) лучше использовать насосы из металла чем из пластика
- Насос может запускаться при незаполненной всасывающей линии. Благодаря отличному самовсосу он может самостоятельно заполнить всасывающую линию
- Насос может работать в режиме сухого хода
- Мембранные насосы не очень любят работать при положительном подпоре на всасывании. В этом режиме срок службы мембран снижается. В любом случае давление жидкости на входе в насос не должно превышать 1 бар
- Если длина шланга больше метра, то для подачи воздуха нужно использовать достаточно широкий шланг: на один-два калибра больше, чем диаметр подключения насоса. Например, для насосов с воздушным подключением 1/4 дюйма (6 мм) рекомендуется использовать шланг с внутренним диаметром не менее 16 мм
- Насос может работать в погруженном положении, если материалы конструкции совместимы с перекачиваемой жидкостью. Отработанный воздух при этом необходимо отводить из воды по отдельному шлангу
Работа во взрывоопасной атмосфере
- Мембранные насосы Vetlan Pneumatic не имеют электродвигателя и потому гораздо безопаснее при работе во взрывоопасной среде
- Если насос работает во взрывоопасной среде, используйте модели из алюминия или нержавеющей стали − во избежание накопления статического электричества на корпусе. При этом насосы обязательно должны быть заземлены
- У металлических насосов есть европейский сертификат по взрывозащите Ex II G c T5. У насосов из пластика такого сертификата нет
- Официального российского сертификата по взрывозащите у этих насосов нет
Области применения
- Химическая и нефтехимическая промышленности
- Лакокрасочная промышленность
- Керамическая и добывающая промышленность
- Стекольное и стекловолоконное производство
- Пищевая промышленность и фармацевтика




































_1.jpg)






























































































































































































































































Гарантия 12 мес.
