Видео
Выбираем насос для химии
Как выбрать насос для кислоты и другой химии
Промывка мембранников
Промой мембранный насос правильно
Активный и пассивный демпферы пульсаций. Сравнительный тест.
Описание модели AF OS 0700S
Мембранный пневматический насос Duotek AF OS 0700S - это мощный насос для предприятий пищевой, фармацевтической и косметической промышленности, выполненный из полированной нержавеющей стали 316. Насос имеет гигиеническое исполнение и позволяет бережно перекачивать жидкости вязкостью до 50 000 сСт при температуре до 95 °C. Он способен перекачивать твердые частицы диаметром 8,5 мм.
Насос питается от источника сжатого воздуха давлением до 8 бар.
Подходит для работы в условиях повышенной взрывоопасности ATEX зоны 2, имеет сертификат ATEX II 3/3 GD c IIB T135 °C.
Материалы исполнения Duotek AF OS 0700S соответствуют требованиям технологических процессов асептических производств.
Корпус насоса выполнен из полированной нержавеющей стали AISI 316 (Ra 0,4 мкм)*, которая исключает размножение нежелательных бактерий, обеспечивая качество полученной продукции.
*AISI 316 - это кислотостойкая нержавеющая сталь устойчивая к воздействию коррозии, она содержит в своем составе молибден (Mo), защищающий от точечной коррозии. Сталь механической полировки Ra 0,4 мкм лишена пор, имеет зеркально гладкую поверхность, исключает оседание среды, легко очищается.
При необходимости, насос можно обрабатывать и дезинфицировать в системах CIP и SIP мойки.
Мембраны насоса выполнены из гигиеничных химостойких эластомеров Тефлон (PTFE)/ Хайтрел (Hytrel).
Duotek AF OS 0700S химически совместим с ингредиентами, средами и с большинством вспомогательных веществ (Excipients) пищевых, фармацевтических и косметических производств.
Все контактные с жидкостью материалы насоса сертифицированы FDA (Управление по санитарному надзору за качеством пищевых продуктов и медикаментов США), что является гарантией гигиеничности модели.
Производительность насоса регулируется давлением сжатого воздуха и достигает 700 л/мин (42 м3/ч), подача жидкости за один ход мембраны ≈ 1,25 л.
Максимальный напор насоса составляет 80 м при давлении воздуха 8 бар.
Патрубки с быстроразъемным кламповым** соединением 2 1/2 " (63 мм).
**Кламп (Tri-Clamp) - облегчает подключение к насосу, позволяет быстро получить доступ к линии, провести санобработку, демонтаж и обслуживание насоса.
Подключение воздуха 3/4 " (20 мм) BSP.
Насос может работать в режиме сухого хода, но необходимо ограничить время работы насоса в режиме сухого хода до 10 мин.
Насос не требует предварительной заливки перед пуском, высота всасывания «по суху» до 6 м.
Уровень звуковой мощности модели 78 дБ.
График рабочих характеристик Seko Duotek AF OS 0700S
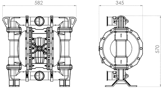
Габаритный чертеж насоса Seko AF OS 0700S
У нас пока нет отзывов по этой модели.
В настоящее время никто вопросов не задавал. Вы можете быть первым.




































_1.jpg)




























































































































































































































































Гарантия 12 мес.